EasyManua.ls Logo

Necta Kikko Espresso - Cleaning the Cup Dispenser; Annual Cleaning

Default Icon
76 pages
Print Icon
To Next Page IconTo Next Page
To Next Page IconTo Next Page
To Previous Page IconTo Previous Page
To Previous Page IconTo Previous Page
Loading...
© by NECTA VENDING SOLUTIONS SpA
28
02-2004 184 02
ANNUAL CLEANING
At least once a year, or more frequently according to the
use of the machine and the quality of the inlet water, the
entire foodstuff circuit system must be cleaned and sani-
tized as described below.
SANITISING
- all parts in contact with food, including the hoses, must be
removed from the machine and fully disassembled;
- all visible residue and product films are mechanically
removed using brushes or similar tools, if necessary;
- all components must be soaked in a sanitising solution for
at least 20 minutes;
- the machine internal surfaces are to be cleaned with the
same sanitising solution;
- thoroughly rinse and then reinstall the parts.
Before restarting the machine, the same sanitising
procedure described in section “Sanitising the mixers
and the foodstuff circuits” should be repeated.
CLEANING THE PRODUCT CONTAINERS
- Remove the containers from the machine;
- undo the product ports and slide out the augers from back
of the container;
- clean all parts in a solution of hot water and chlorine-
based detergents and dry thoroughly.
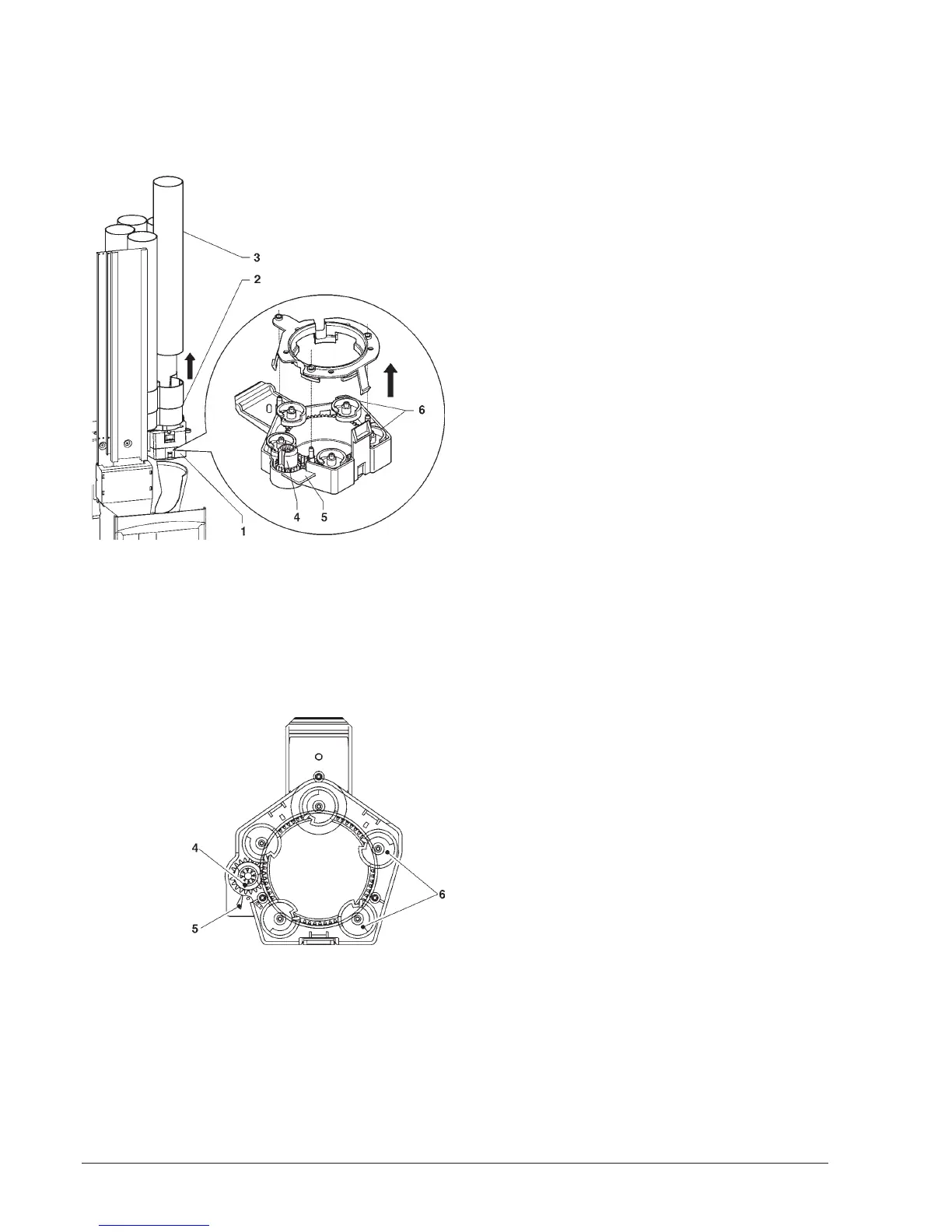
The cup release ring must not be opened for normal
cleaning.
Should any adjustments be necessary during re-assem-
bly, special attention must be paid to:
- line up the notch on the micro-switch actuation gear with
the arrow on the snail gear support.
- respect the orientation of the snail gears, as indicated in
the figure.
CLEANING THE CUP DISPENSER
The cup dispenser was designed to be disassembled
easily for maintenance operations.
Each single column of the cup stacker and the release ring
can be disassembled without using tools.
Fig. 20
1 - Cup release ring
2 - Cup stacker
3 - Removable column
4 - Micro-switch actuation gear
5 - Snail gear support
6 - Cup release snail gears

Table of Contents

Related product manuals