EasyManua.ls Logo

Necta Kikko Espresso - Printed Board Functions and Indicator Lamps; Actuation Board

Default Icon
76 pages
Print Icon
To Next Page IconTo Next Page
To Next Page IconTo Next Page
To Previous Page IconTo Previous Page
To Previous Page IconTo Previous Page
Loading...
29
© by NECTA VENDING SOLUTIONS SpA 02-2004 184 02
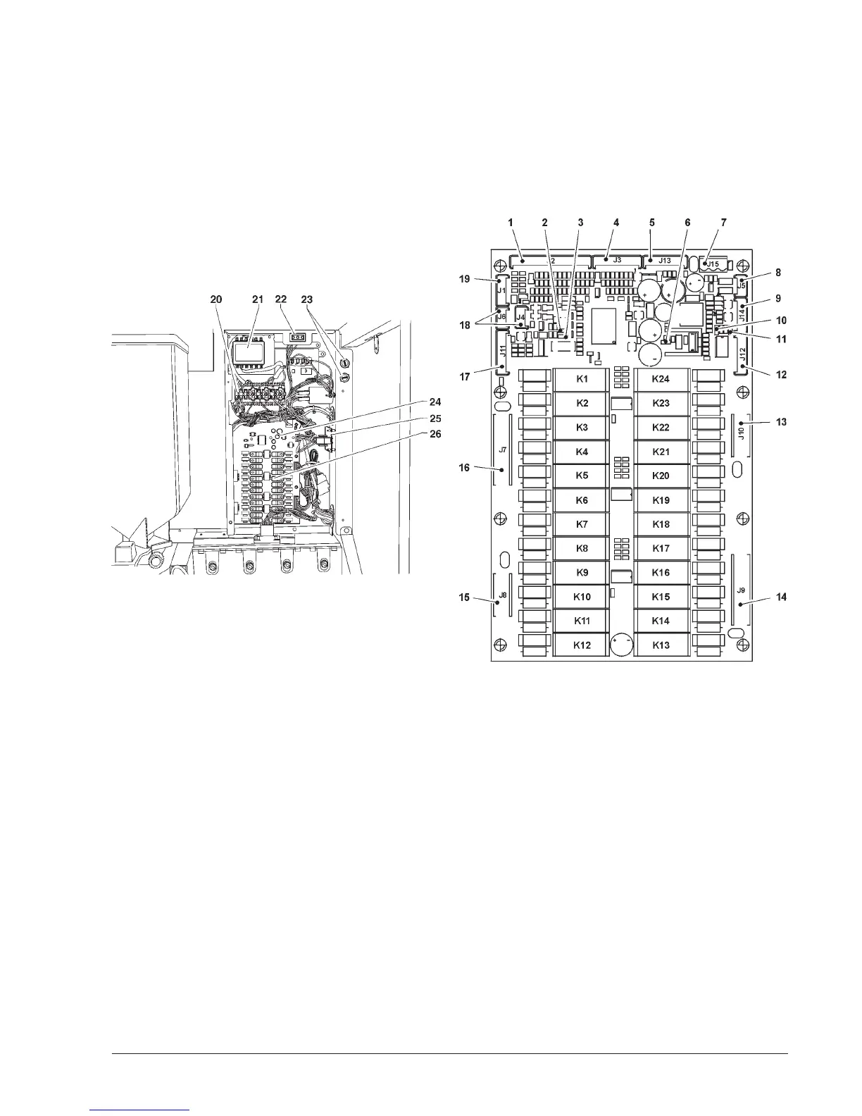
PRINTED BOARD FUNCTIONS
AND INDICATOR LAMPS
ACTUATION BOARD
This board (see Fig. 21) activates the 230 V~ power users
by means of relays. Furthermore, it controls the signals
from the cams and/or the micro-switches on the various
power users as well as the boiler.
This board is powered with 24 VAC.
Fig. 21
The control software of the board is installed directly (via
RS232) in the microprocessor.
- the green LED (2) blinks during normal operation of the
board
- the yellow LED (6) indicates the presence of 5 V DC
- the red LED (3) glows during the board reset
- the red LED (10) indicates the operating status of the
Espresso boiler heating element
RELAY FUNCTION (see wiring diagram)
Espresso Instant
K1 = ESC MD6
K2 = MSB MSB
K3 = MSCB MSCB
K4 = MSP MSP
K5 =
K6 = LF LF
K7 = MSU MSU
K8 = M MF4
K9 = MF3 MF3
K10 = MF2 MF2
K11 = MF1 MF1
K12 = MDZ MDZ
K13 = PM E4
K14 = ER E5
K15 = E1 E1
K16 = E2 E2
K17 = E3 E3
K18 = EEA EEA
K19 = MF5
K20 = MAC MD5
K21 = MD4 MD4
K22 = MD3 MD3
K23 = MD2 MD2
K24 = MD1 MD1
1 - Input signal
2 - Green LED
3 - Red LED
4 - Not used
5 - Connector for board programming (RS232)
6 - Yellow LED
7 - Board power supply (24 VAC)
8 - Not used
9 - Boiler probe and control
10 - Red LED - boiler heating element
11 - Red LED (not used)
12 - Expansion board connection
13 - 230 V~ power users
14 - 230 V~ power users
15 - 230 V~ power users
16 - 230 V~ power users
17 - Not used
18 - “Can Bus” connection
19 - Not used
20 - Transformer fuses
21 - Electronic card and coin mechanism power supply transformer
22 - Permanently live socket
23 - Mains fuses
24 - LED
25 - Boiler control board
26 - Relays

Table of Contents

Related product manuals