EasyManua.ls Logo

NEOPAC 08 - Schémas Électriques

Default Icon
Print Icon
To Next Page IconTo Next Page
To Next Page IconTo Next Page
To Previous Page IconTo Previous Page
To Previous Page IconTo Previous Page
Loading...
NeoPAC
- 26 -
Modèle
NEOPAC06P NEOPAC08P NEOPAC10P NEOPAC12P NEOPAC15P
A 567 620 620 752 752
B 936 1006 1006 1025 1025
C 322 342 342 413 413
D 582 612 612 640 640
E 330 330 330 380 380
F 260 310 310 430 480
G 105 105 105 95 95
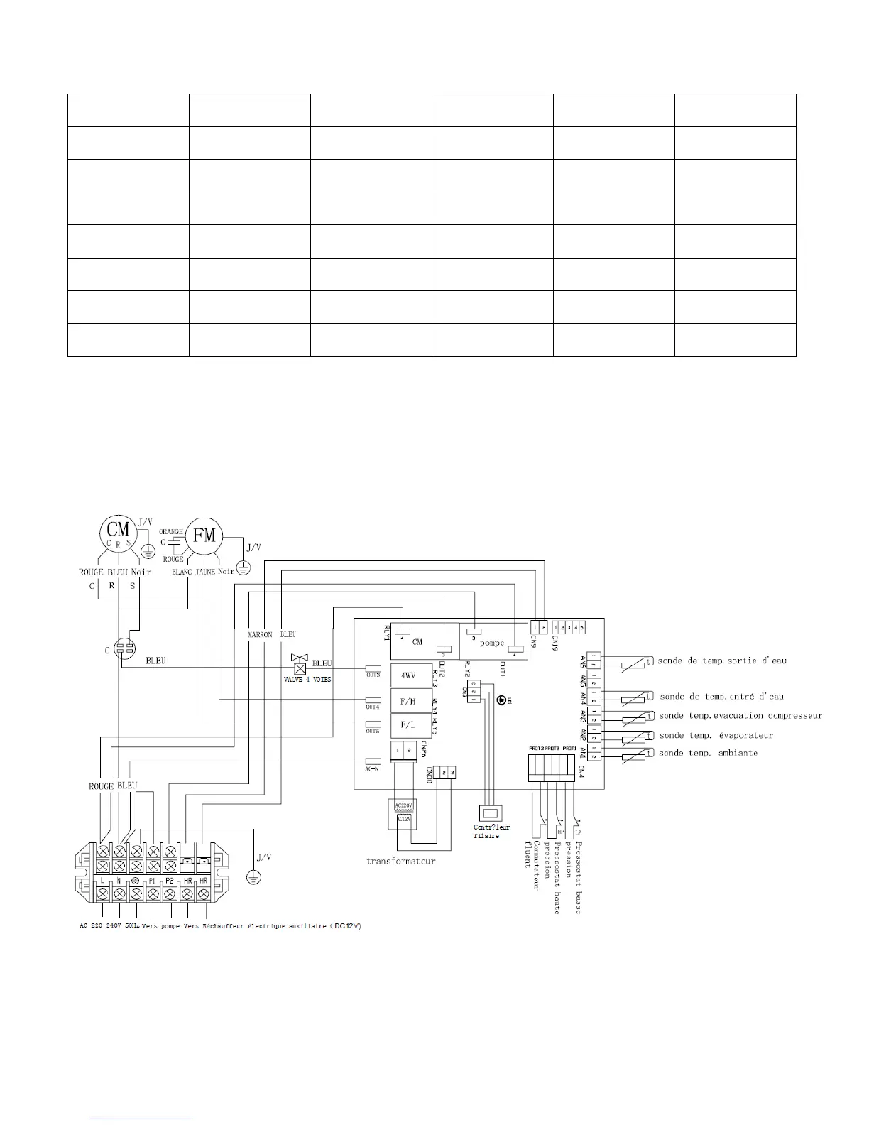
Schémas électriques
NEOPAC06

Table of Contents

Related product manuals