EasyManua.ls Logo

NEOPAC 08 - Dimension Data and Wiring; Model Dimension Values Table; NEOPAC06 Wiring Diagram

Default Icon
Print Icon
To Next Page IconTo Next Page
To Next Page IconTo Next Page
To Previous Page IconTo Previous Page
To Previous Page IconTo Previous Page
Loading...
NeoPAC
- 51 -
Model NEOPAC06 NEOPAC08 NEOPAC10 NEOPAC12 NEOPAC15
A 567 620 620 752 752
B 936 1006 1006 1025 1025
C 322 342 342 413 413
D 582 612 612 640 640
E 330 330 330 380 380
F 260 310 310 430 480
G 105 105 105 95 95
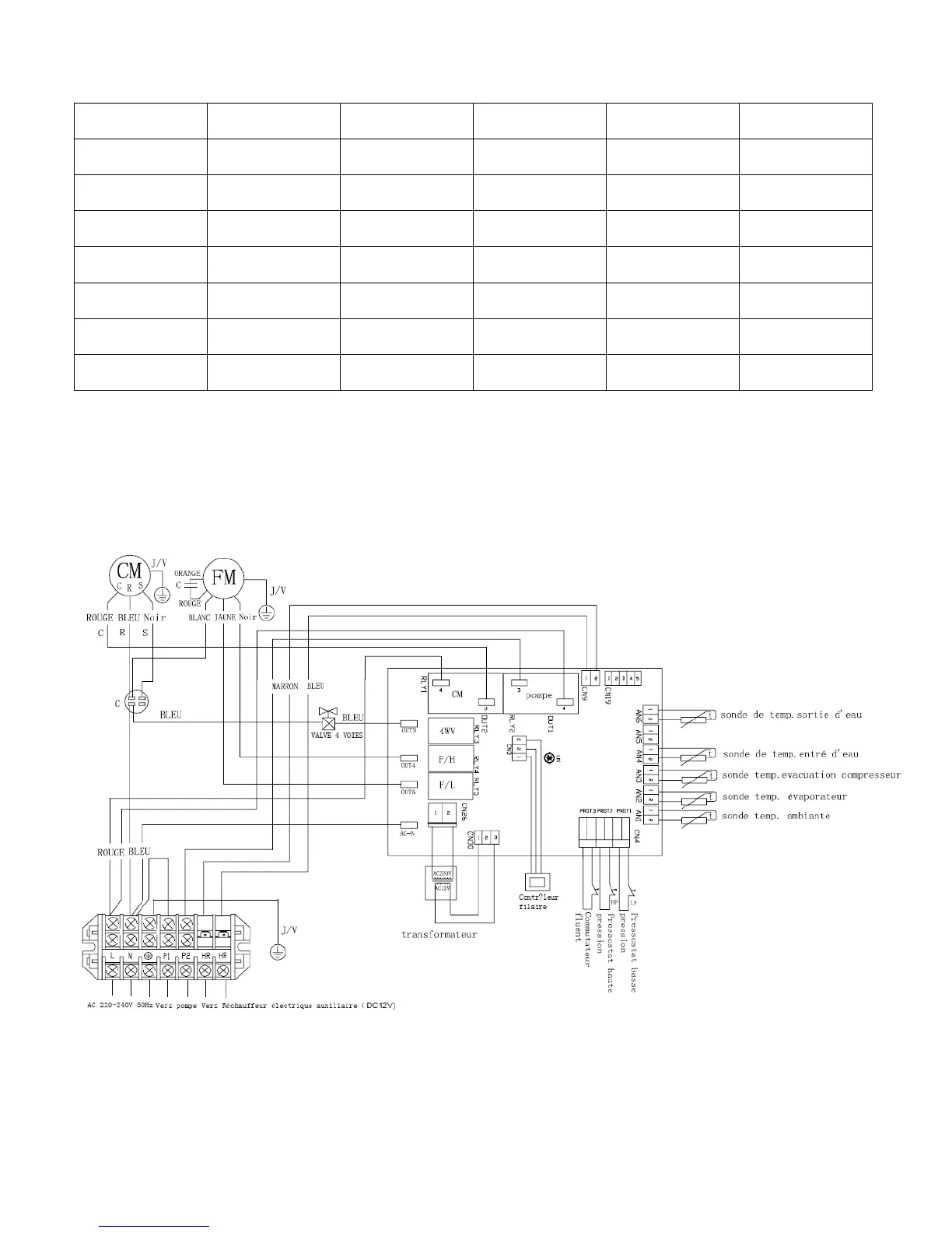
Wiring diagrams
NEOPAC06

Table of Contents

Related product manuals