EasyManua.ls Logo

NEOPAC 08 - Controller and Installation Enhancements; Hydraulic Connections and By-pass

Default Icon
Print Icon
To Next Page IconTo Next Page
To Next Page IconTo Next Page
To Previous Page IconTo Previous Page
To Previous Page IconTo Previous Page
Loading...
NeoPAC
- 36 -
Wall mounted digital controller
The wired controller is originally fixed on the maintenance door of the machine, it is possible to
install it on a wall. To do it:
Disconnect the machine from power supply and open the top panel.
Check the digital controller wire and disconnect the plug localized on the wire (do not
pull on the wire directly at the back of the controller!).
Take the controller out of the machine (by pushing it from the inside to the outside).
Install the controller in a water proof box on the wall.
Connect the controller (from the wall mounted box) to the machine with the extension
wire provided. Be sure that the extension wire goes inside the machine through the designated
holes and bushings.
Close the machine, connect the power supply, turn it on, and check if the digital
controller works correctly.
To improve your installation
Avoid directing the flow of ventilated air towards a noise sensitive area (room window for
example), or a space where people normally gather (the discharged air will be cold)
Avoid positioning the pool heat pump on a surface that can transmit vibrations.
Try to avoid placing the appliance under a tree or exposed to water or mud, which would be
likely to complicate performance and maintenance.
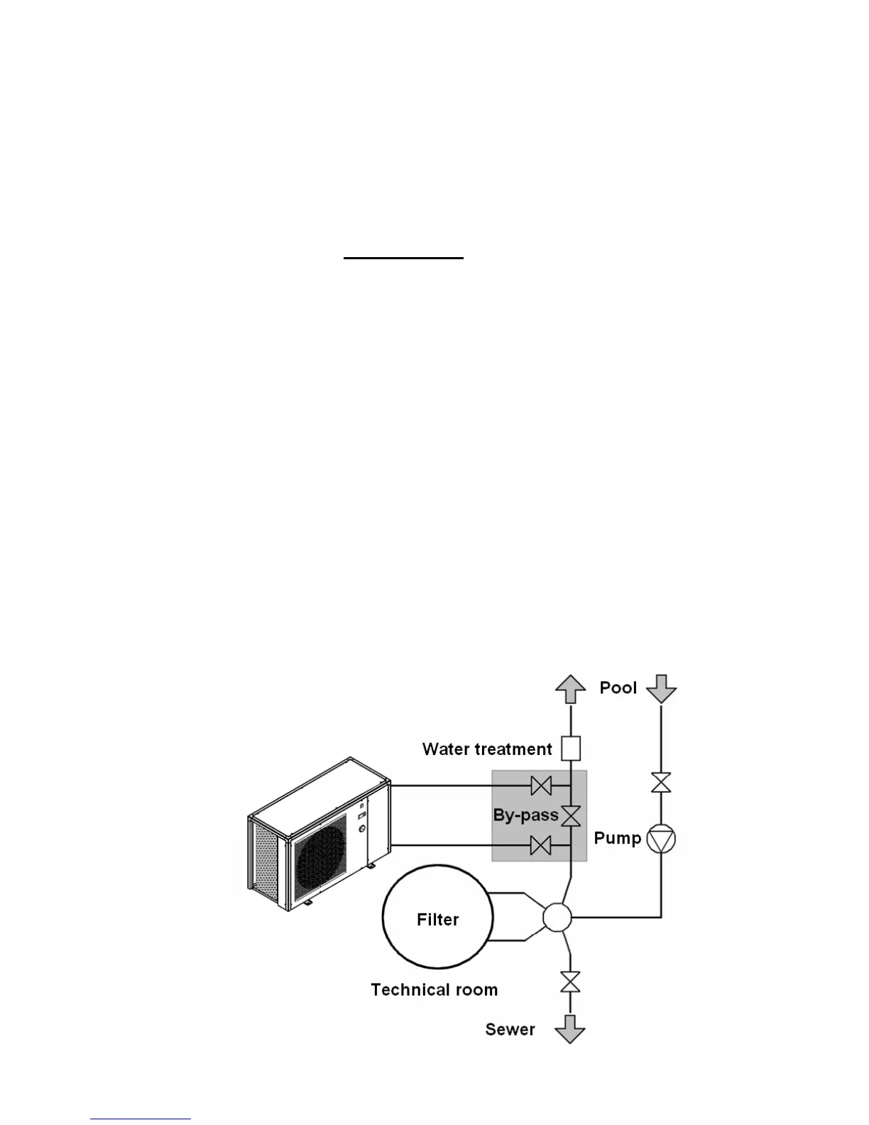
Hydraulic connections
The heat pump should be connected to a filtration circuit trough a by-pass who consists of 3
valves.
It is imperative that the by-pass is placed after the pump and the filter.
These valves allow to regulate the water flow which passes through the heat pump and to
isolate the heat pump completely for any maintenance work, without cutting the filtration flow.

Table of Contents

Related product manuals