EasyManua.ls Logo

NEOPAC 08 - Conexión del Circuito de Agua

Default Icon
Print Icon
To Next Page IconTo Next Page
To Next Page IconTo Next Page
To Previous Page IconTo Previous Page
To Previous Page IconTo Previous Page
Loading...
NeoPAC
- 60 -
Cierre la máquina, conecte la fuente de alimentación, encndala, y compruebe que el
mando digital funciona correctamente.
Para mejorar su instalación
Evitar orientar el flujo del aire ventilado hacia una zona sensible al ruido (ventana de una
habitacn por ejemplo).
Evitar colocar el aparato sobre una superficie sensible a las vibraciones.
Evitar colocar el aparato bajo un árbol o expuesto a proyecciones de agua o lodo ya que puedan
complicar el mantenimiento.
Para un óptimo funcionamiento, las tuberías de agua de la bomba de calor hacia la piscina deben
estar aisladas, sobre todo si la bomba de calor está muy lejos de la piscina.
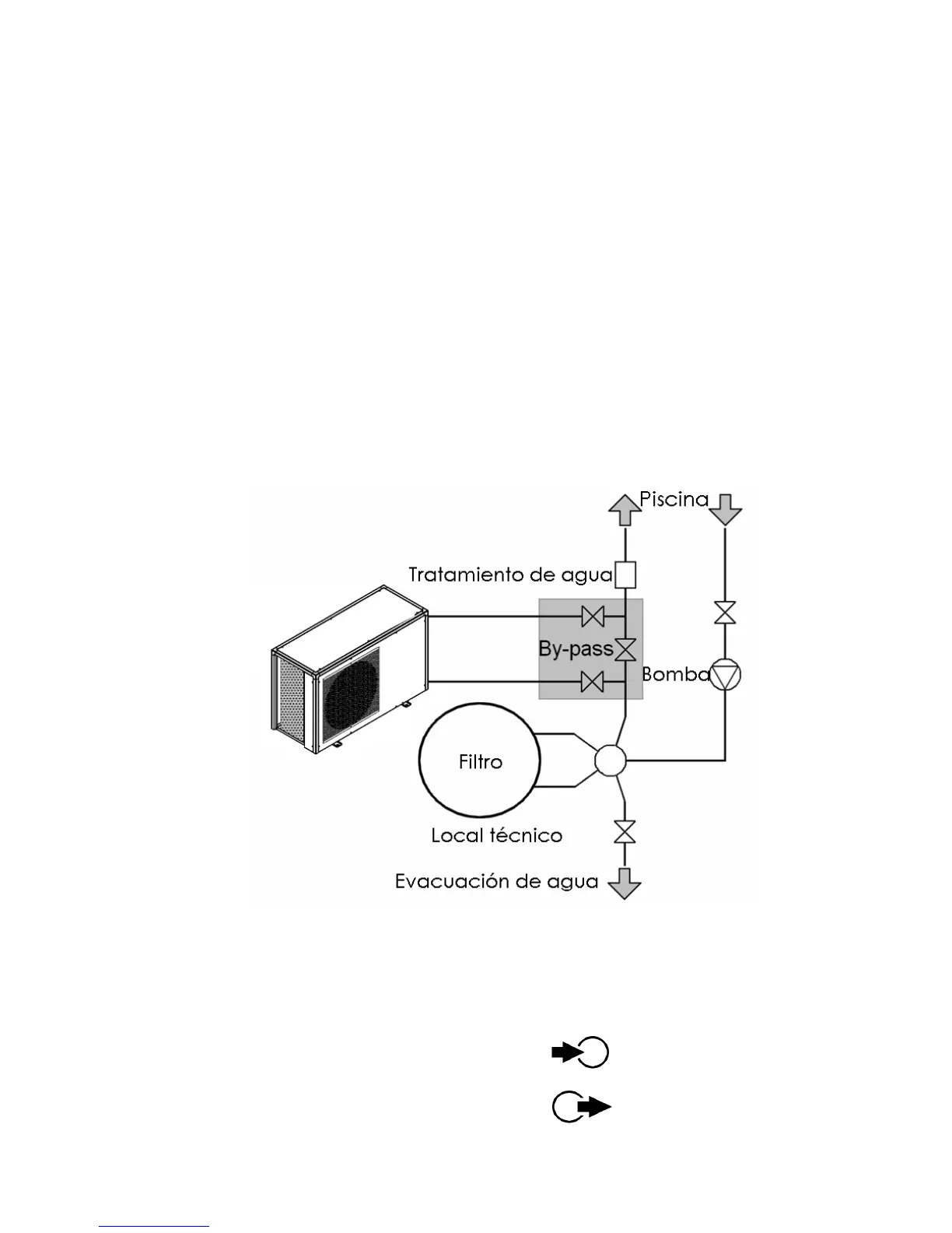
Conexión del circuito de agua
La bomba de calor debe estar conectada a un circuito de filtración a través de un a un by-pass. El
by-pass debe estar formado de 3 válvulas.
El by-pass debe imperativamente estar colocado después de la bomba y la filtración.
Estas válvulas nos permiten regular el caudal del agua que pasa por la bomba de calor y aislar
completamente la bomba de calor en caso de mantenimiento, sin cortar el flujo del agua filtrada.
Si su instalacn incluye un tratamiento de agua con productos como cloro, bromo, sal,...etc. el by-
pass debe de estar colocado antes del sistema de tratamiento de agua con una válvula anti -
retorno entre el by-pass y el sistema de tratamiento del agua.
Las entradas y salidas esta previstas para ser conectadas con tubo PVC (piscina) Ø50 mm rígido,
a ser pegadas directamente sobre los medios empalmes de unión proporcionados.
Entrada de agua indicada por la etiqueta adhesiva:
Salida de agua indicada por la etiqueta adhesiva:

Table of Contents

Related product manuals