EasyManua.ls Logo

Newlong DKN-3 - Head Cover & Oil Pump Parts View and List

Default Icon
37 pages
Print Icon
To Next Page IconTo Next Page
To Next Page IconTo Next Page
To Previous Page IconTo Previous Page
To Previous Page IconTo Previous Page
Loading...
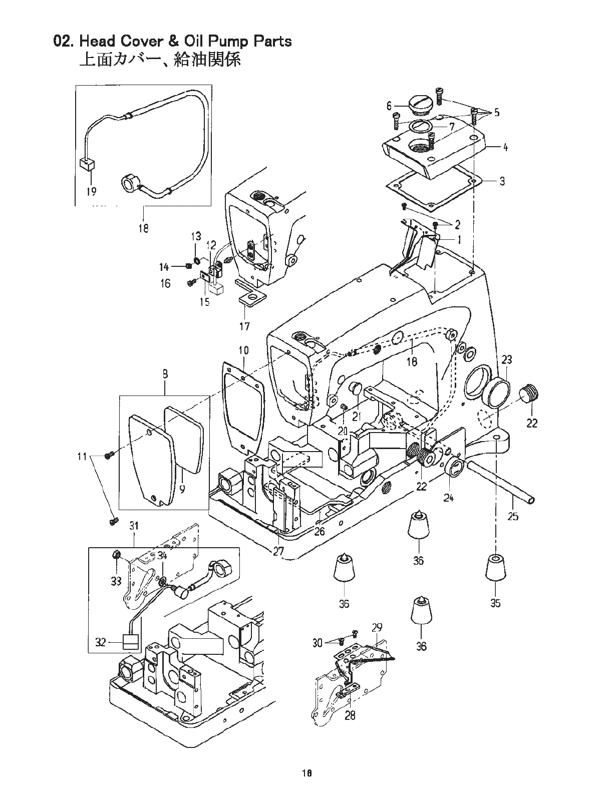
02.
Head
Cover
&
Oil
Pump
Parts
J:iifijJ/,-,
~ilB00-1*
19
11
\
\
31
32
y
36
18
22
I
I
y
I
I
I
¢
36
y
35
29
36
From the Library of Superior Sewing Machine & Supply LLC

Related product manuals