EasyManua.ls Logo

Newlong DS-9 - Thread Tension & Needle Thread Oiler

Newlong DS-9
49 pages
Print Icon
To Next Page IconTo Next Page
To Next Page IconTo Next Page
To Previous Page IconTo Previous Page
To Previous Page IconTo Previous Page
Loading...
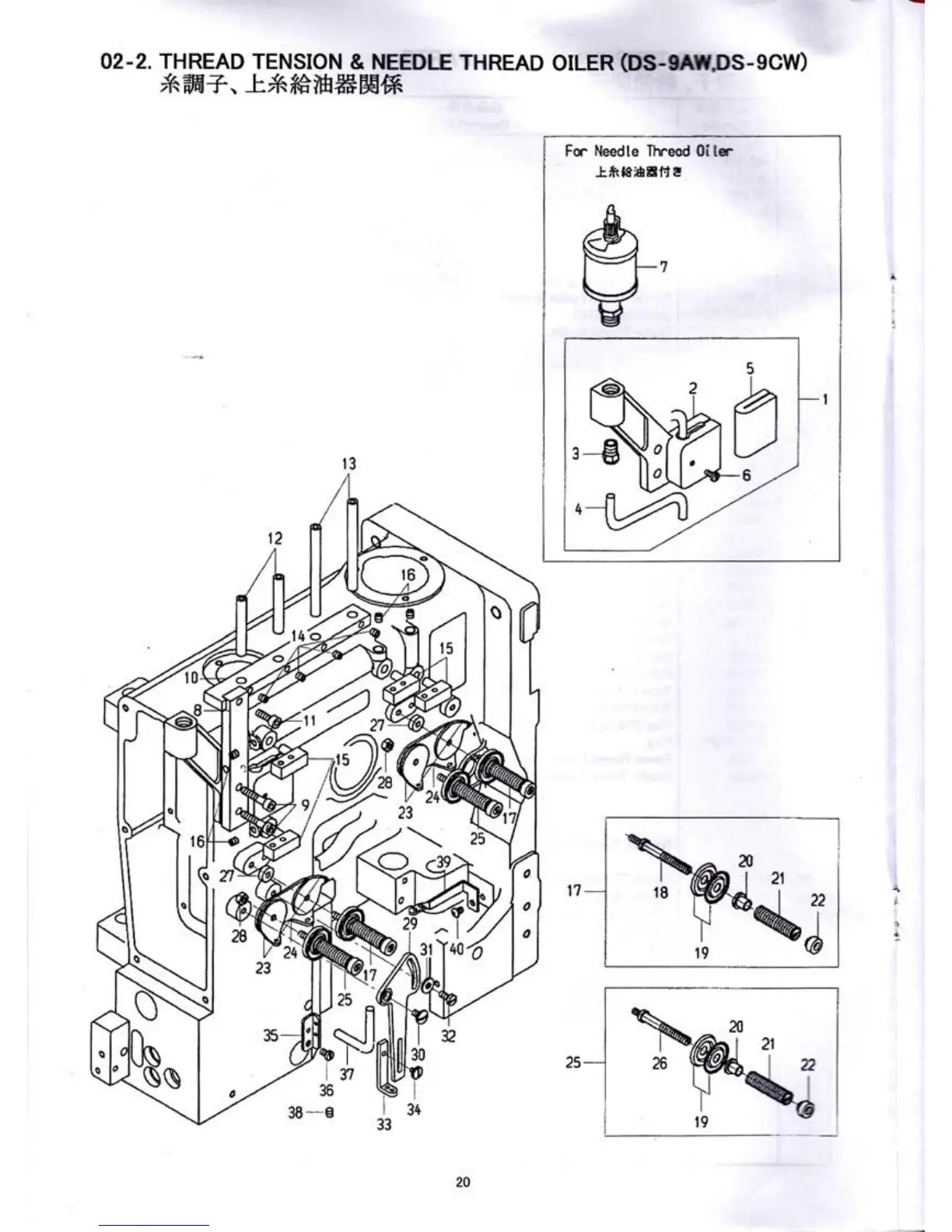
O2-2,
THREAD
TENSION
& NEEDLE
THREAD
OILER
(DS-
TTDS-9CW)
/Affiil+.
-E'*ffi'iH**BHffi
36
38*-C
Fr
Needle
Threod 0itr
-t'&*emEfre
20

Related product manuals