EasyManua.ls Logo

Newlong DS-9 - Needle Bar & Crank Shaft Parts

Newlong DS-9
49 pages
Print Icon
To Next Page IconTo Next Page
To Next Page IconTo Next Page
To Previous Page IconTo Previous Page
To Previous Page IconTo Previous Page
Loading...
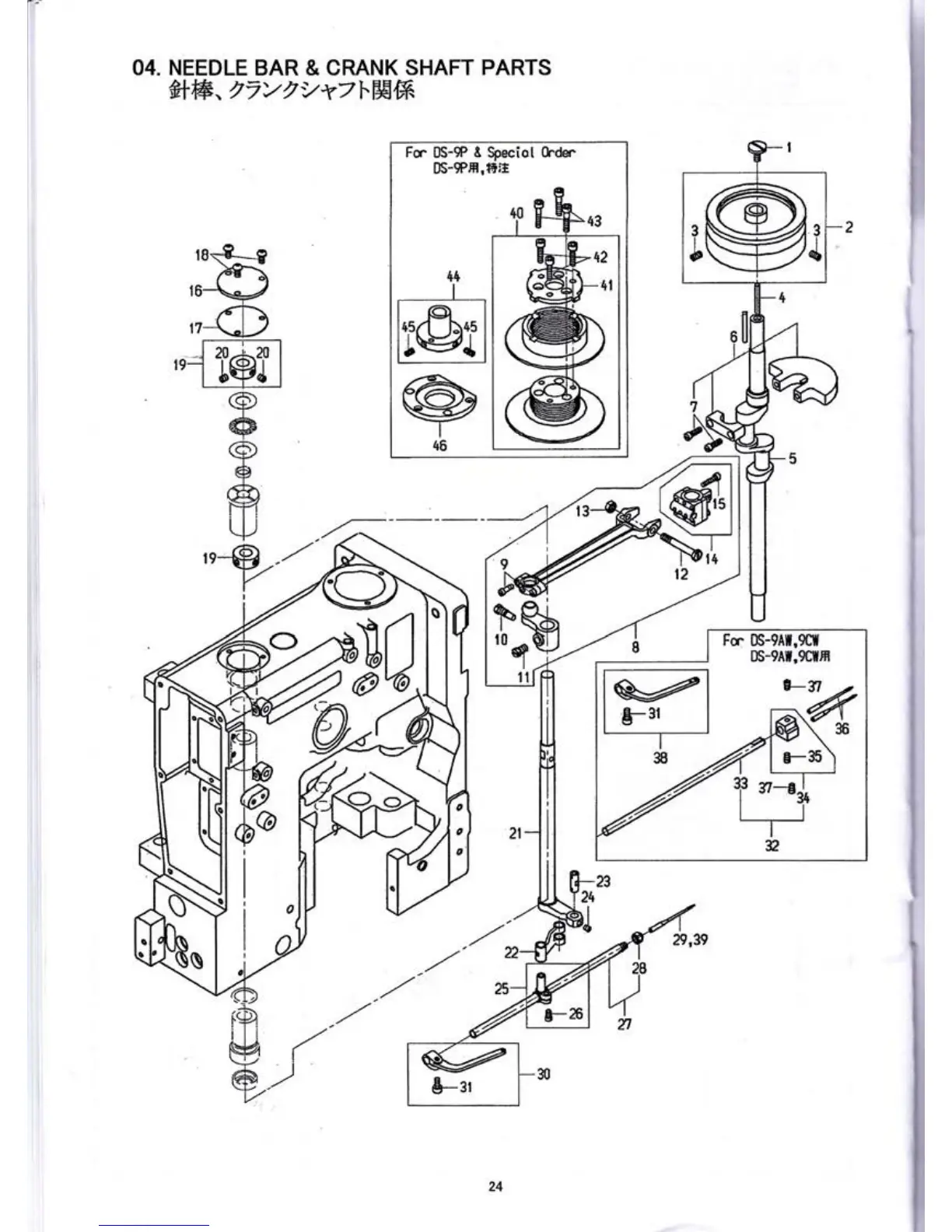
04. NEEDLE BAR & CRANK
SHAFT PARTS
frlffi..
r7Yrvr7lWffi
Fr
DS-9F
E
Speciot
0rdr
0s-9PH,li,E
44
t@t
@rl
@
46
Fr
[E-9All,9ClI
IE-gAI.gCtH
'r''_*r!
+
24

Related product manuals