EasyManua.ls Logo

Newlong DS-9 - Cutter Parts

Newlong DS-9
49 pages
Print Icon
To Next Page IconTo Next Page
To Next Page IconTo Next Page
To Previous Page IconTo Previous Page
To Previous Page IconTo Previous Page
Loading...
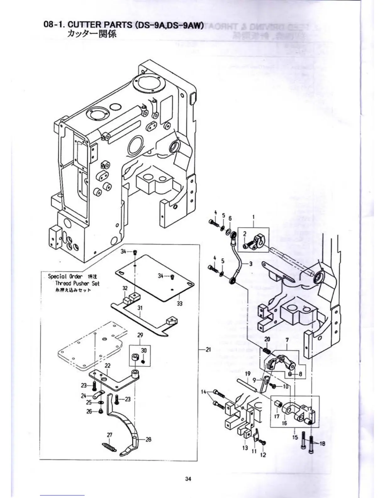
O8-I.
CUTTER
PARTS
(DS-9ADS-SAW}
fiyF-85ffi

Related product manuals