EasyManua.ls Logo

Newmac CL 170C - Page 19

Default Icon
80 pages
Print Icon
To Next Page IconTo Next Page
To Next Page IconTo Next Page
To Previous Page IconTo Previous Page
To Previous Page IconTo Previous Page
Loading...
19
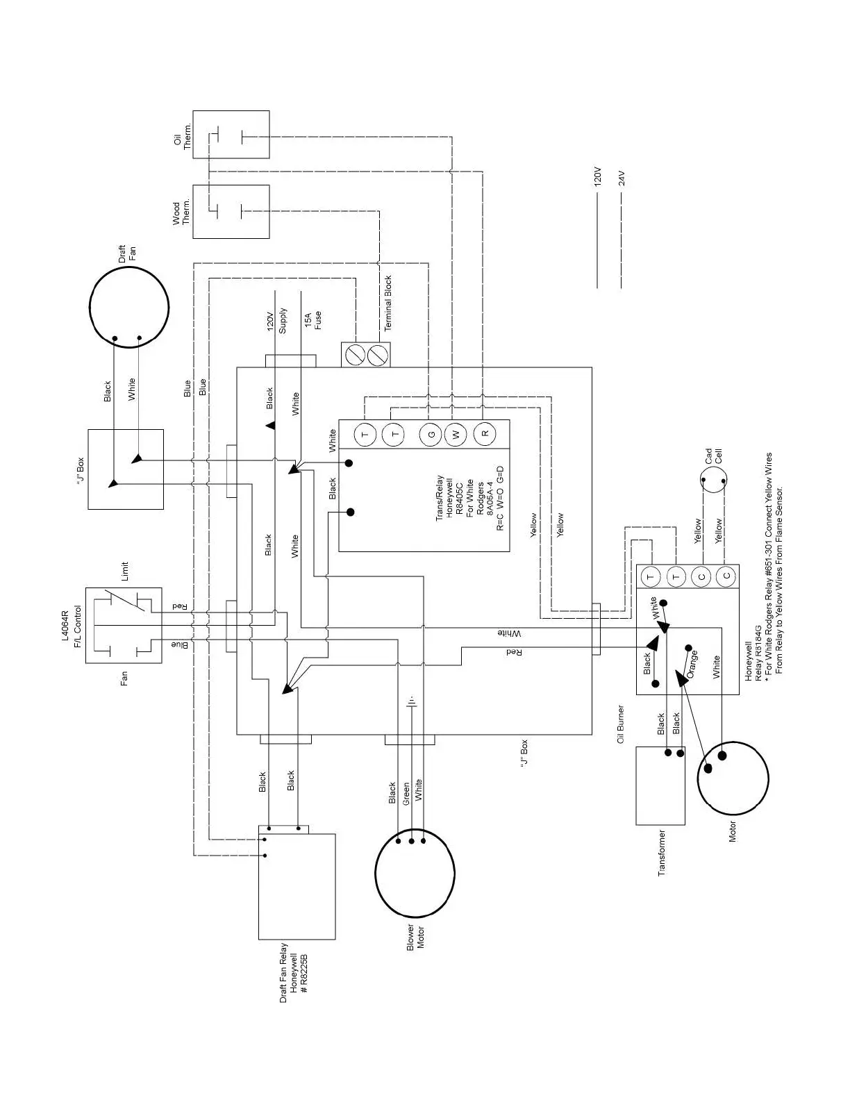
Figure 13 - CL SERIES WIRING DIAGRAM

Related product manuals