EasyManua.ls Logo

NI 6341 - Analog Input Timing Signals

Default Icon
277 pages
Print Icon
To Next Page IconTo Next Page
To Next Page IconTo Next Page
To Previous Page IconTo Previous Page
To Previous Page IconTo Previous Page
Loading...
4-22 | ni.com
Chapter 4 Analog Input
Analog Input Timing Signals
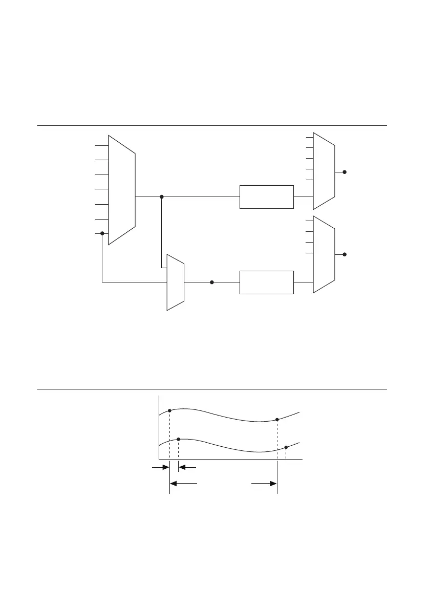
In order to provide all of the timing functionality described throughout this section, MIO
X Series devices have a flexible timing engine. Figure 4-12 summarizes all of the timing options
provided by the analog input timing engine. Also refer to the Clock Routing section of Chapter 9,
Digital Routing and Clock Generation.
Figure 4-12. Analog Input Timing Options
MIO X Series devices use AI Sample Clock (ai/SampleClock) and AI Convert Clock
(ai/ConvertClock) to perform interval sampling. As Figure 4-13 shows, AI Sample Clock
controls the sample period, which is determined by the following equation:
1/Sample Period = Sample Rate
Figure 4-13. MIO X Series Interval Sampling
AI Convert Clock controls the Convert Period, which is determined by the following equation:
1/Convert Period = Convert Rate
PFI, RTSI
PXI_STA R
Analog Comparison
Event
20 MHz Timebase
100 kHz Timebase
PXI_CLK10
Programmable
Clock
Divider
Programmable
Clock
Divider
AI Sample Clock
Timebase
AI Convert Clock
Timebase
PFI, RTSI
PXI_STA R
Analog Comparison Event
Ctr n Internal Output
SW Pulse
PFI, RTSI
PXI_STA R
Analog Comparison Event
Ctr n Internal Output
AI Convert Clock
AI Sample Clock
100 MHz Timebase
Channel 0
Channel 1
Convert Period
Sample Period

Table of Contents

Related product manuals