EasyManua.ls Logo

Nibe F2025 - Page 40

Nibe F2025
56 pages
Print Icon
To Next Page IconTo Next Page
To Next Page IconTo Next Page
To Previous Page IconTo Previous Page
To Previous Page IconTo Previous Page
Loading...
F202538
Miscellaneous
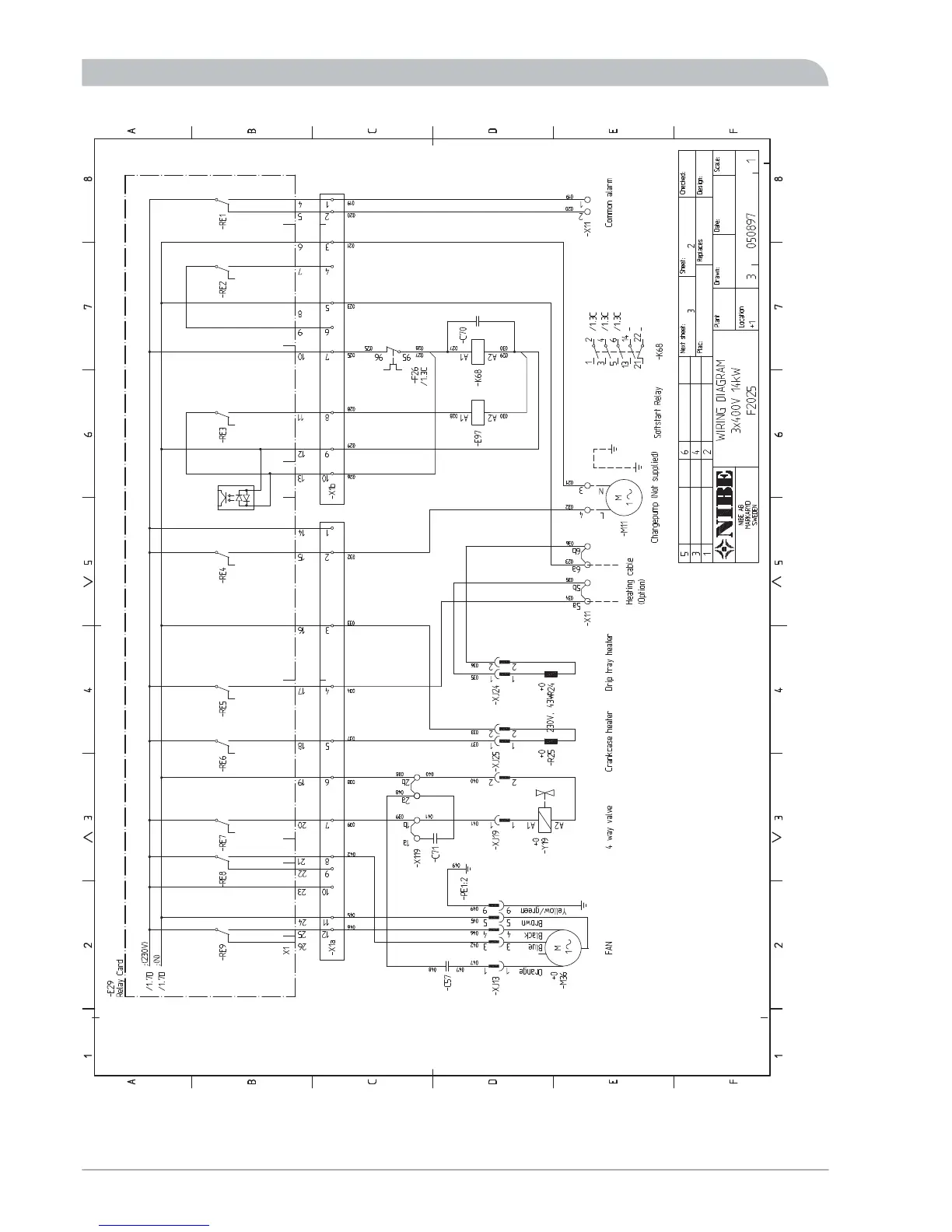
Electrical circuit diagram

Table of Contents

Related product manuals