EasyManua.ls Logo

Nibe SPLIT ACVM270 - Page 18

Nibe SPLIT ACVM270
64 pages
Print Icon
To Next Page IconTo Next Page
To Next Page IconTo Next Page
To Previous Page IconTo Previous Page
To Previous Page IconTo Previous Page
Loading...
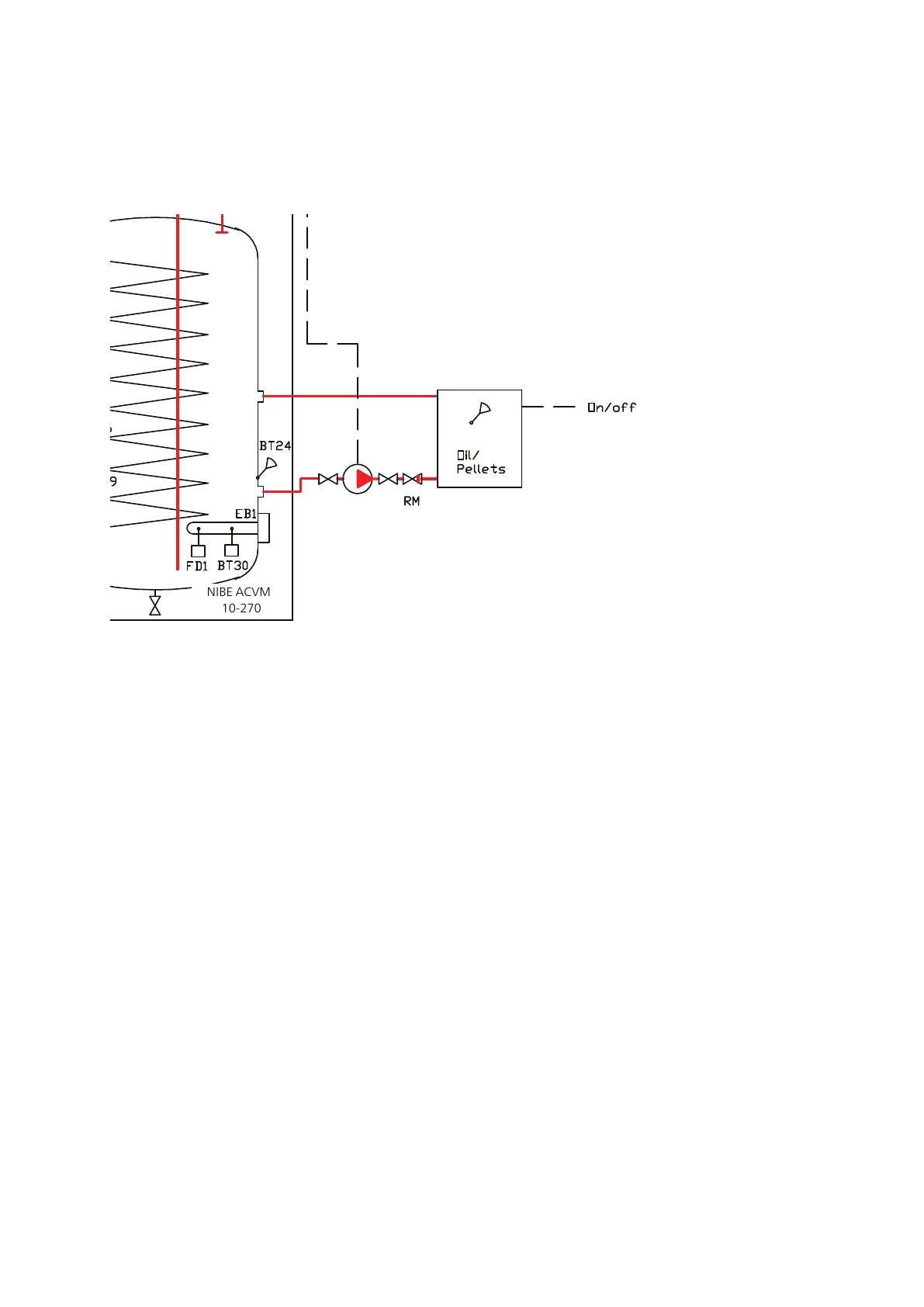
Oil
NIBE ACVM
10-270
Function
NIBE SPLIT ACVM270 activates additional heat when the compressor output is not sufficient for the house demand.
When the additional heat is activated, valves QM 30 and QM31 switch to the climate system. Valve QN11 shunts in
the event of a heating demand on the supply line. Hot water is produced with the additional heat.
Max temp 65°C out from the oil/pellet boiler.
Control signal for additional heat taken from terminal block X3.
Strap between X3:2-3 removed.
The addition's control phase is connected to terminal block X3:2 (230V), X3:4 (N) (max 0.4 A).
Menu 9.2.8 set to External Line 1.
The oil fired boiler is started and stopped by external control. NIBE SPLIT ACVM270 controls the circulation pump.
NIBE SPLIT ACVM270Chapter 3 | System description18