EasyManua.ls Logo

Nice HYPPO HY 7100

Default Icon
16 pages
To Next Page IconTo Next Page
To Next Page IconTo Next Page
To Previous Page IconTo Previous Page
To Previous Page IconTo Previous Page
Loading...
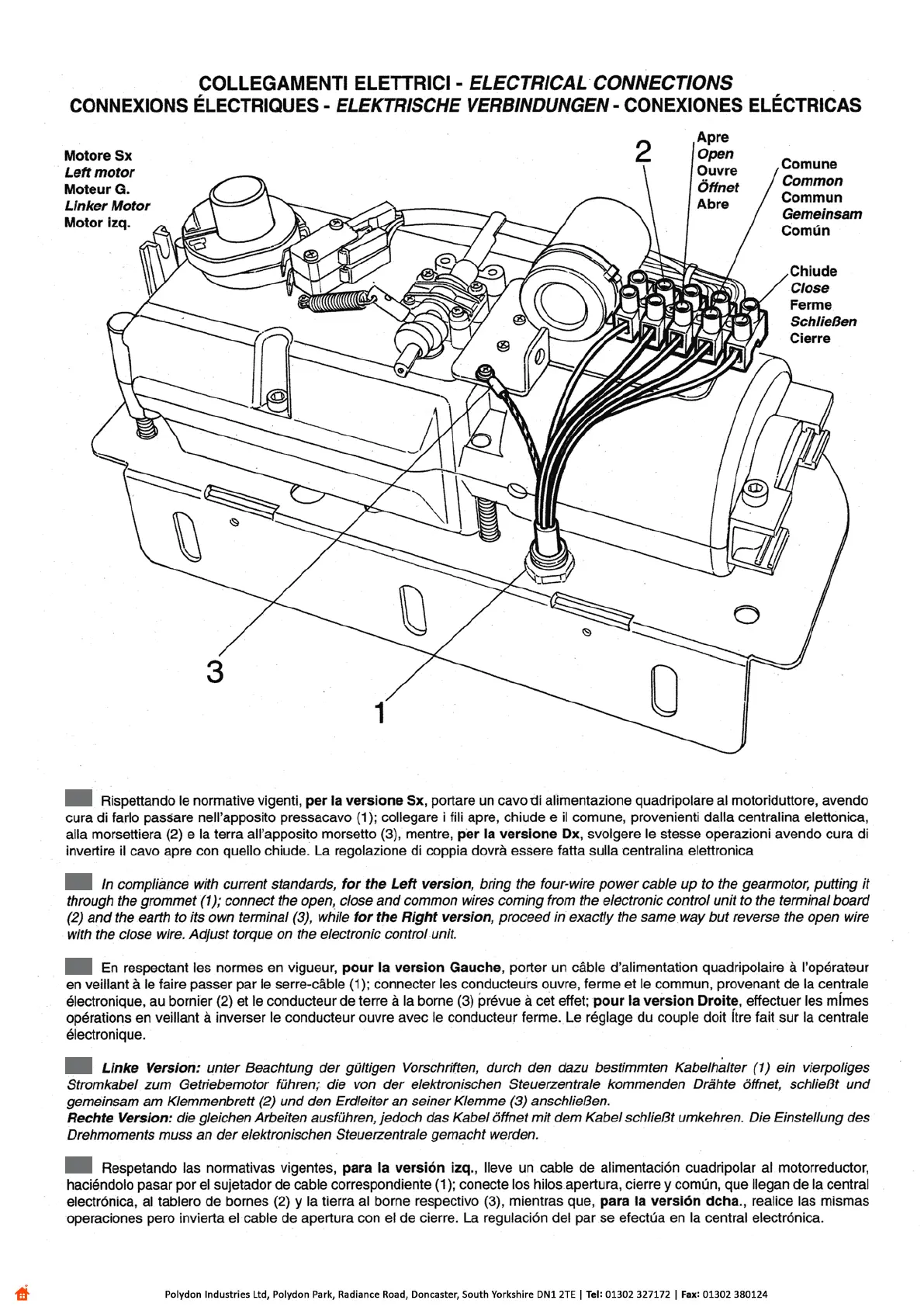
9
IT
EN
FR
DE
ES
www.metalines.com
sales@metalines.com

Other manuals for Nice HYPPO HY 7100

Related product manuals