EasyManua.ls Logo

Nice WG4024

Nice WG4024
48 pages
To Next Page IconTo Next Page
To Next Page IconTo Next Page
To Previous Page IconTo Previous Page
To Previous Page IconTo Previous Page
Loading...
XIII
ENITFRESDEPLNL
D
D
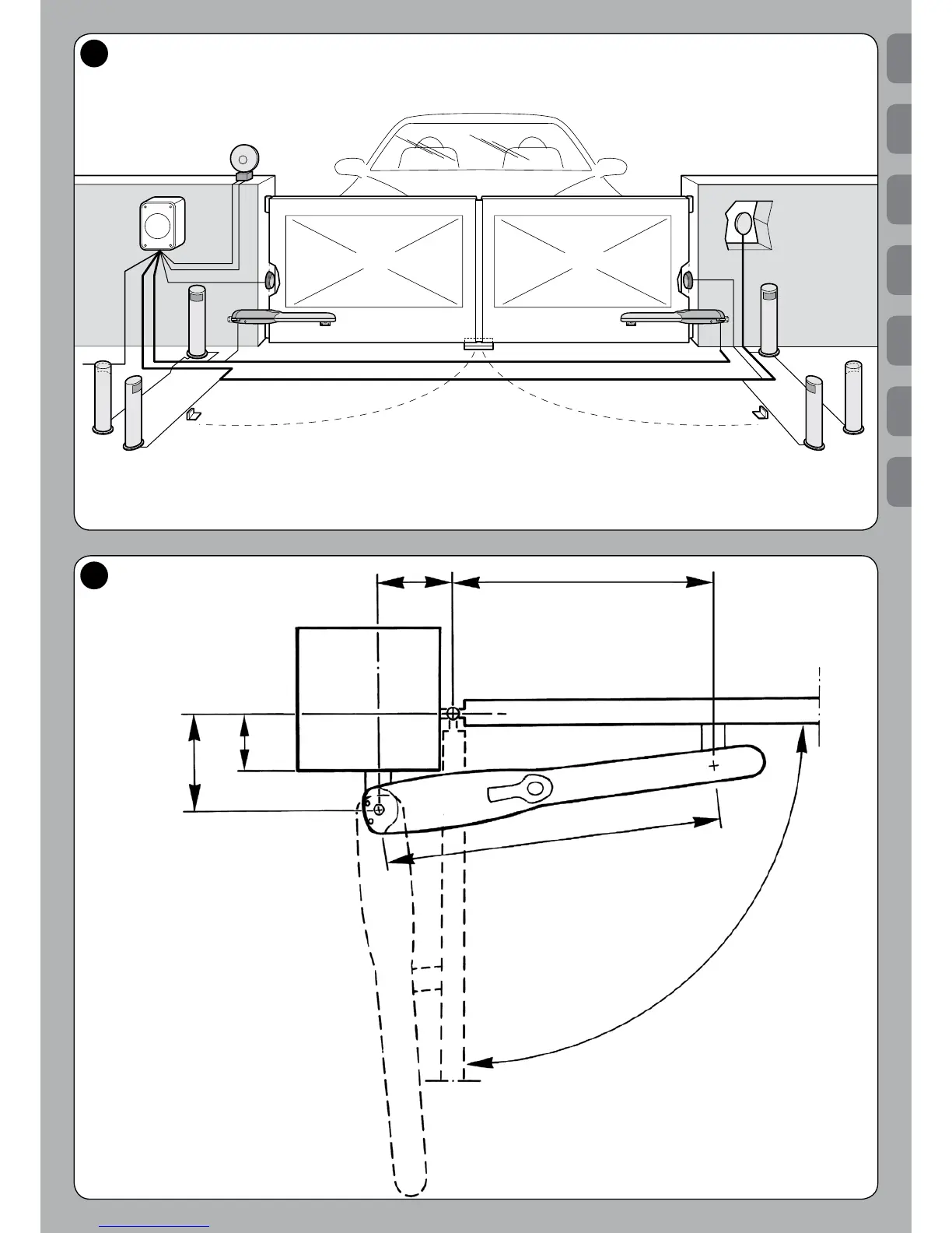
3
AA
B B
F
G
D
D
CC
E
E
4
A
D
B
C

Other manuals for Nice WG4024

Related product manuals