EasyManua.ls Logo

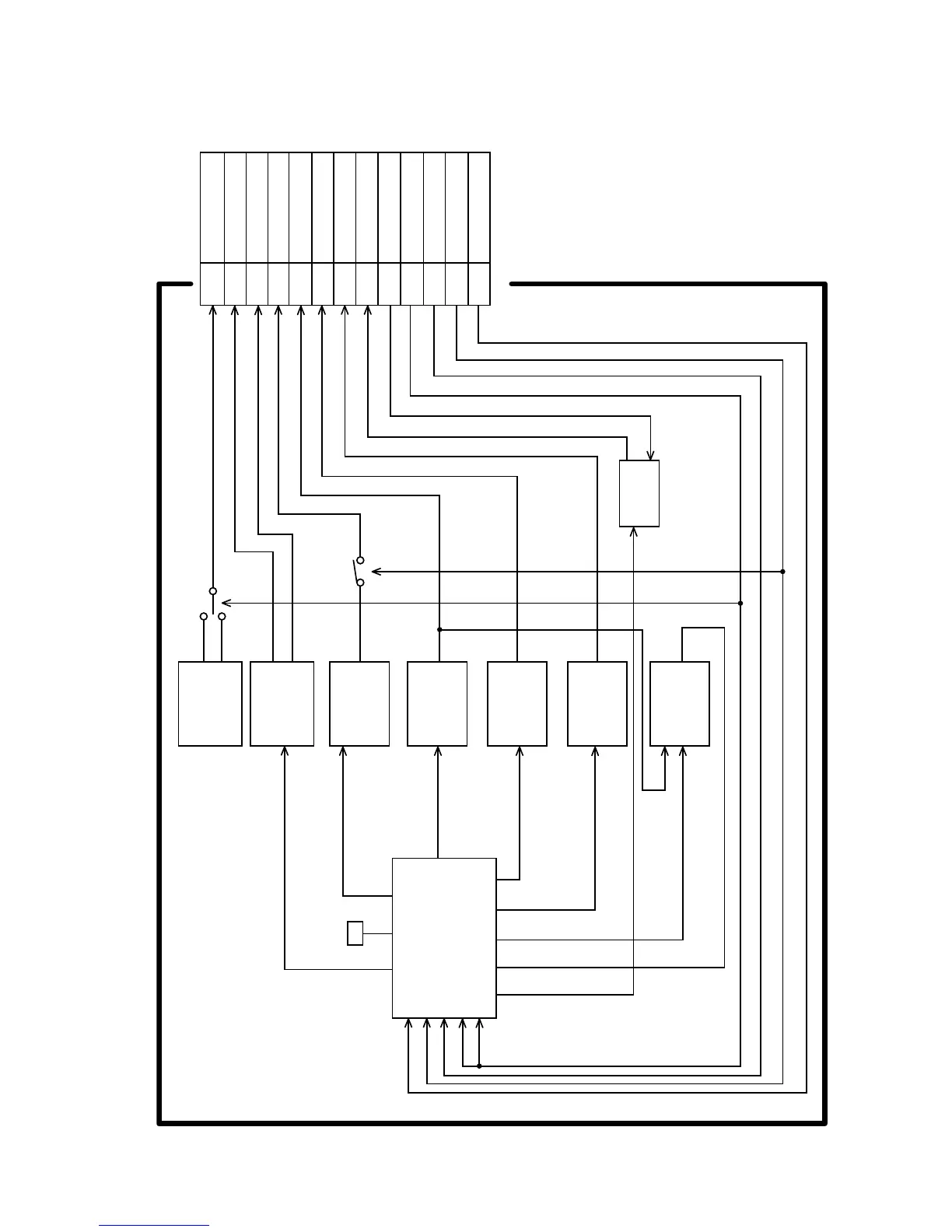
Nikon coolpix7900 - Power Block Diagram

Nikon coolpix7900
111 pages
Print Icon
To Next Page IconTo Next Page
To Next Page IconTo Next Page
To Previous Page IconTo Previous Page
To Previous Page IconTo Previous Page
Loading...
VAA46003-R.3659.A
- E20 E7900 -
POWER ブロック図
POWER BLOCK DIAGRAM
IC501
SWITCHING
CONTROL
FA7723R
T5001,Q5001
CONVERTOR
TRANS
IC961
STEP UP
CIRCUIT
Q9601, L9601
L5004, Q5004
STEP UP
CIRCUIT
L5003, Q5003
STEP UP
CIRCUIT
L5005
STEP DOWN
CIRCUIT
VM5.1V
-7V(A)
+15V(A)
+12V(L)
VDD5
VDD3
VDD1.4
BL_AN
BL_CA
PON
PAON
LCDON
BLON
27:25
14
15
6
13
17,16
19,18
5
4
12
11
10
8
OUT4
OUT5
OUT7
OUT2D-2
OUT2D-1
L5006
STEP DOWN
CIRCUIT
OUT1D-2
OUT1D-1
L5007, Q5002
STEP UP
CIRCUIT
CURRENT
DETECTOR
CIRCUIT
OUT6
SW6
3.25V(D)
CN501
TO CP1(DMA)
CN102
1.41V(D)
VS6
30
24
25
48
CNT6
CNT5
CNT4
CNT7, CNT1
47
46
49
44
40
39
35, 36
29
31
32
10
MODEL: E7900
BLOCK DIAGRAM: POWER
VR
VR501
Q5008
4.85V
Q9602

Related product manuals