EasyManua.ls Logo

Nilfisk-Advance BR 752 - Page 73

Nilfisk-Advance BR 752
Print Icon
To Next Page IconTo Next Page
To Next Page IconTo Next Page
To Previous Page IconTo Previous Page
To Previous Page IconTo Previous Page
Loading...
USER MANUAL
ENGLISH
BR 652 - BR 752 - BR 752C 9098684000(3)04/2016 A
11
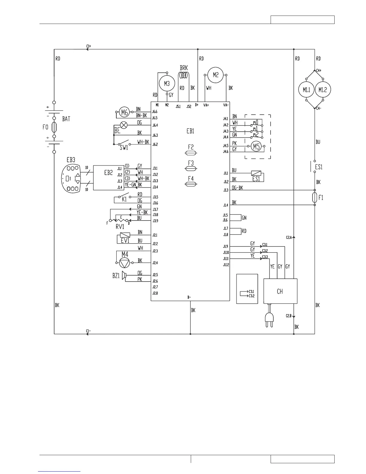
WIRING DIAGRAM (Continues)
(*)
(**)
P100361

Table of Contents