EasyManua.ls Logo

Nobles SS2001E - Page 20

Nobles SS2001E
43 pages
Print Icon
To Next Page IconTo Next Page
To Next Page IconTo Next Page
To Previous Page IconTo Previous Page
To Previous Page IconTo Previous Page
Loading...
STANDARD PARTS
Speed Scrub 1701/2001/2400 (1 1--97)
20
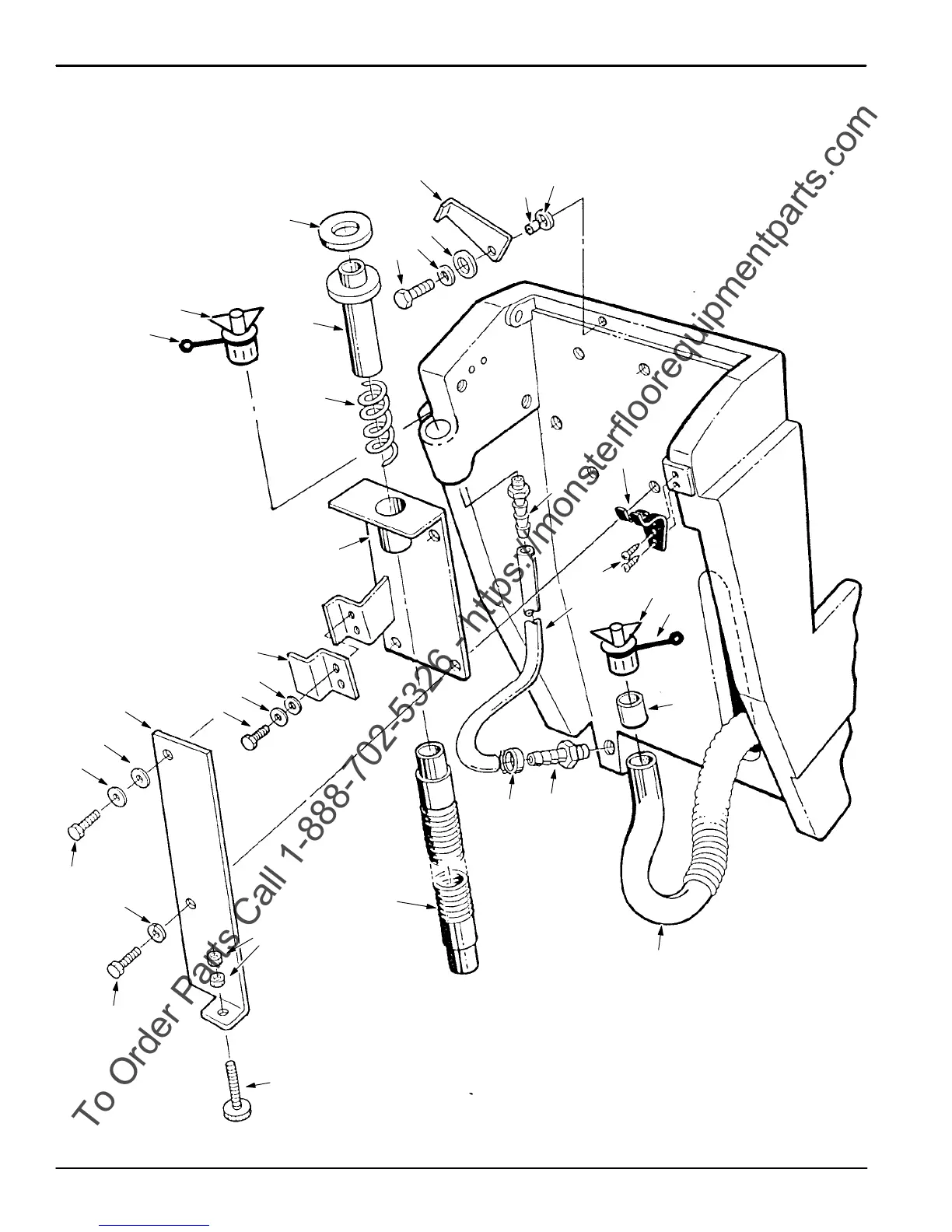
REAR PANEL ASSEMBLY
25
1
26
24
11
21
20
9
5
10
1
28
18
27
2
3
4
6
7
8
12
13
1415
17
16
18
17
19
27
22
23
24
29
7
To Order Parts Call 1-888-702-5326 - https://monsterfloorequipmentparts.com

Related product manuals