EasyManua.ls Logo

Nobles Strive 9000503 - Ladder Diagram

Nobles Strive 9000503
52 pages
Print Icon
To Next Page IconTo Next Page
To Next Page IconTo Next Page
To Previous Page IconTo Previous Page
To Previous Page IconTo Previous Page
Loading...
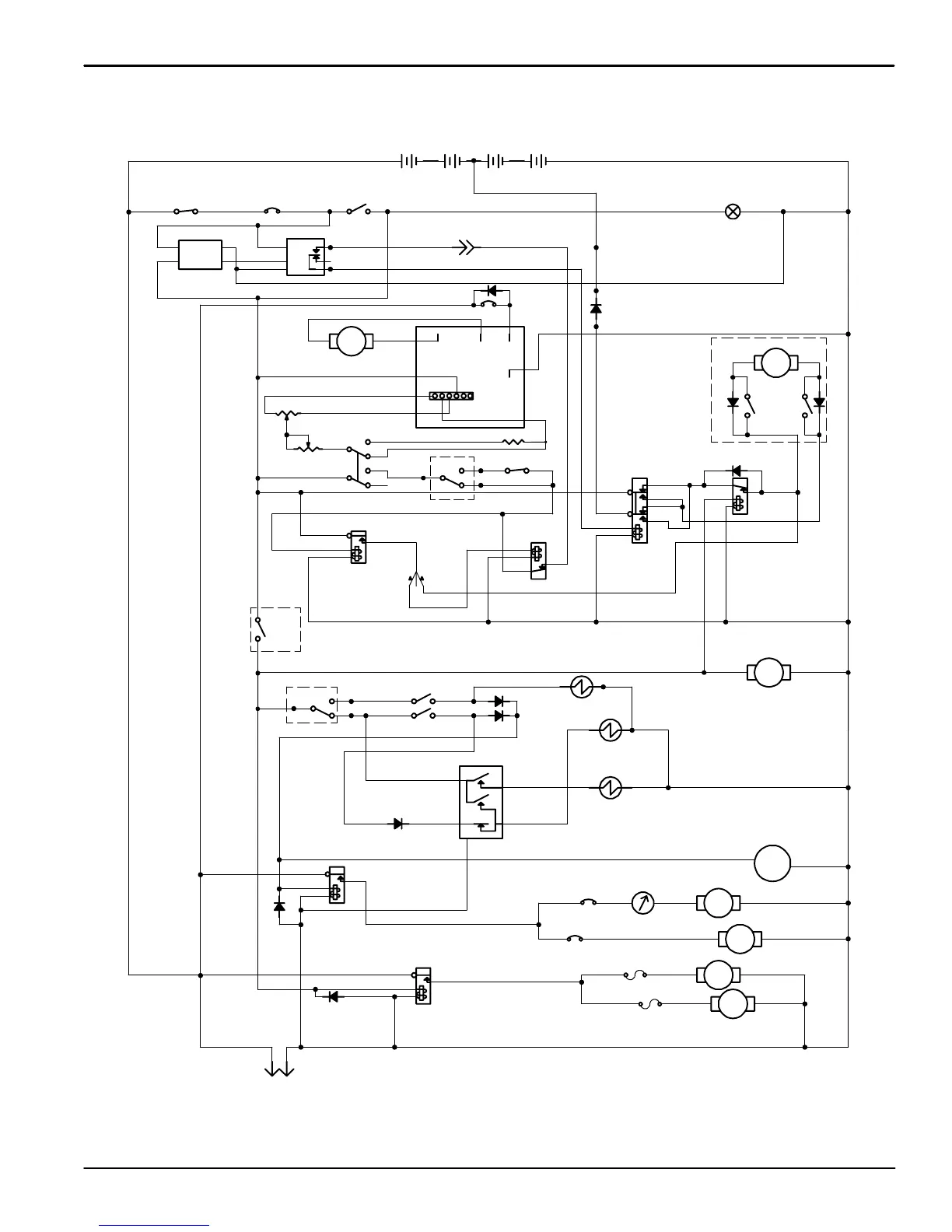
ELECTRICAL DIAGRAMS
Strivet (09--04)
25
20K POT
K2 RELA Y 1 178
+
RED
--
NO
ORG
NC
GRN
COM
IN
WHT
VAC
FLUSH SOLENOID
B
U8
904BDI
Batt+
1
Batt--
2
Out
3
KeySw
4
17A
S2
UpperLim
EXT SOLENOID
17A
REAR
F1
30A FUSE #768688
12K1
A
CHARGER PLUG
U1
STR T IMER
STR- -0
3
FLSH
5
GND
1
2
STR- -c
4
VAC
CLEAN LIM RELAY
DRIVE
10A
ACT.
ACTUATOR
PUMP
HEAD ADJUST RELAY
H3
HOUR METE R
+
1
--
2
STR SOLENOID
20A
GRN POWER LAMP
B
CLEAN
S1
SW SPST NC
LowerLim
FRNT
F2
30A FUSE #768688
5k POT
PART 1 OF ACTUAT OR
HRoll
R.S.
HRoll
EXT
-- 1 2 5 --
-- R E D --
-- 8 8 --
-- R E D --
-- 3 1 -- -- B L K --
-- 8 0 & 1 0 6 -- -- B L U --
-- B L K --
-- 3 4 --
-- B L U --
-- T A N --
-- 5 0 --
-- 8 6 --
-- R E D --
-- T A N --
-- R E D --
-- B L K --
-- G R N --
654321
R.S.
-- 1 6 -- -- 4 0 --
-- 6 -- -- 2 -- -- R E D --
-- 6 8 -- -- R E D --
-- 1 0 0 -- -- G R N --
-- 5 2 -- -- G R N -- -- 6 2 --
-- 1 9 --
-- 7 8 --
-- 7 6 --
-- 1 7 --
-- 4 8 --
-- 3 2 --
-- G R Y --
-- 1 3 0 --
-- 1 1 6 -- O R N
-- 5 6 -- -- Y E L ---- O R G --
NOT USED
-- 5 2 -- -- G R N --
-- 9 2 -- -- Y E L --
-- R E D --
-- 1 6 & 1 8 -- -- T A N --
-- 3 5 -- -- B L K ---- 8 -- -- R E D --
-- 1 2 6 -- B L K
-- 24--
BRUSH GAUGE
-- 6 6 --
-- 5 6 -- -- Y E L --
-- 7 --
CURTIS SPEED BOARD
-- 7 0 -- -- P U R --
-- 1 0 --
-- 3 0 --
-- 4 4 --
-- 4 6 --
-- G R N --
-- 7 2 -- -- R E D --
-- 7 4 --
-- 5 4 --
-- 1 5 --
-- 27--
-- 1 3 --
-- 2 5 --
-- 1 2 --
-- B L U --
-- 2 6 -- -- Y E L --
-- 4 5 --
-- B L K --
-- G R N --
-- B L K --
-- R E D --
-- W H T --
-- B L K --
BLK
-- 3 --
-- 5 -- -- B L K --
EXT
-- B L K --
-- B L K --
-- B L K --
-- B L K --
-- B L K --
-- B L K --
-- BLK--
-- R E D -- -- R E D --
-- R E D --
-- O R G --
-- R E D --
-- R E D --
-- R E D --
-- Y E L --
-- RED--
-- 4 9 --
-- R E D --
-- G R N --
-- 6 0 -- -- B L U --
-- GRN---- 42--
-- 4 4 --
-- Y E L --
PROPEL
-- 1 2 0 -- -- R E D --
CLEAN
-- 1 1 8 -- -- G R Y --
-- 3 8 --
-- R E D --
CLEAN
-- 1 0 8 --
-- Y E L --
-- 2 2 --
-- B L U --
-- B L K --
-- 2 0 --
-- B L U --
Mode Sel 2
Mode Sel 1
XPORT
-- 1 1 7 -- -- B L K --
-- 3 6 --
-- R E D --
-- Y E L --
-- 1 0 6 --
-- B L U --
-- 2 9 --
--BLK/
WHT--
-- 4 7 --
--BLK/
WHT--
-- 1 0 4 --
-- P U R --
-- 5 8 --
-- G R N --
-- 1 8 --
-- T A N --
-- T A N --
-- 1 1 -- -- B L K --
-- 2 1 --
-- B L K --
-- 8 0 --
-- B L U --
XPORT
-- 8 2 -- -- B L U --
-- 4 --
-- 1 --
-- B L K --
-- 1 5 --
-- B L K --
-- G R N --
-- P U R --
-- 6 4 --
-- G R Y --
-- G R Y --
-- 1 1 2 --
-- 2 8 --
-- B L U --
-- 1 4 --
-- B L U --
-- 4 1 -- -- B L K --
-- G R N --
-- 9 8 --
-- 9 8 --
-- 3 9 -- -- B L K --
-- Y E L ---- 90--
-- 9 6 -- -- P U R --
-- 1 0 2 --
-- B L K --
-- 9 4 -- -- Y E L --
-- 1 0 0 -- -- G R N --
-- 2 3 -- -- B L K --
HRoll
Ext Rev
-- 4 3 -- B L K
BRUSH
CONTACTOR
VAC
CONTACTOR
PART 2 OF
ACTUATOR
HEAD
ADJUST
SWITCH
ON HEAD
ON HEAD
-- 1 2 7 --
-- G R Y --
-- 6 0 -- -- B L U --
-- 1 2 1 -- -- R E D --
-- 122--BLK
-- 3 7 -- -- B L K --
-- Y E L --
-- Y E L --
-- G R N --
-- 1 1 0 --
1
2
3
R.S.
EXT
HEAD ADJUST
ENABLE RELAY
CHARGER SAFETY SWITCH
KEY
6V
BATTERY
6V
BATTERY
6V
BATTERY
6V
BATTERY
24 VDC BATTERY SUPPLY
VCC
POS RELAY
LIMIT
LADDER DIAGRAM

Related product manuals