EasyManua.ls Logo

Nobles Strive 9000503 - Electrical Diagrams; Wiring Diagram

Nobles Strive 9000503
52 pages
Print Icon
To Next Page IconTo Next Page
To Next Page IconTo Next Page
To Previous Page IconTo Previous Page
To Previous Page IconTo Previous Page
Loading...
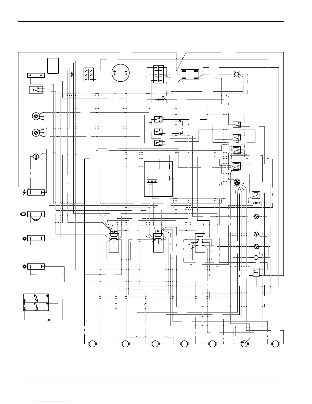
ELECTRICAL DIAGRAMS
Strivet (09--04)
24
1
65
4
32
M2
CURTIS SPEED
BOARD
B--
M1
B+
BRUSH
METER
4
1
3
2
6
5
METER
BATTER Y
SWITCH
ADJUST
63
5
2
1
RELAY
ACTUA TOR
#2
MOTOR
VACUUM
MOTOR
DRIVE
VACUUM
MOTOR
#1
BRUSH
MOTOR
ACTUATOR
MOTOR
STANDOFF
NEGA TIVE
PUMP
MOTOR
INDICATOR
POWER
G
EXTRACT SOLUTION
SOLENOID
SOLENOID
STR
VACUUM
CONT ACTOR
CONT ACTOR
BRUSH
CIRCUIT
CIRCUIT BREAKER
DRIVE MOTOR
17A
BRUSH MOTOR #2
CIRCUIT BREAKER (REAR)
20A
BREAKER
10A
BLU
28
20K
POTEN TI OME TER
5K
POTEN TI OME TER
MAIN
KEY SWITCH
MAIN
CHARGER
SAFETY SWITCH
WHT
PLUG
CHARGER
CIRCUIT BREAKER (FRONT)
BRUSH MOTOR #1
17A
4
HEAD
CLEANING
12 K
RESIST0R
SPEED
FUSE 1
30 AMP
30 AMP
FUSE 2
CLEAN LIMIT
RELAY
HEAD
ADJUST ENABLE
RELAY
HEAD ADJUST
RELAY
MODE
SELECT 1
SELECT 2
MODE
(24 V O L T)
(4) BATTERI ES 6 VOL T
NO
NC
NC
NO
NC
NO
NC
NO
NC
NO
FRONT
MOTOR
BRUSH
REAR
NO
NC
35 BLK
35 BLK
35 BLK
35
BLK
8RED
8RED8RED
6RED
6RED
2RED
2
RED
68
RED
78 RED
76 OR G
76 OR G
76 OR G
14
BLU
80 BLU
80 BLU
BLU
14
106 BLU 106 BLU
52
GRN
52 GR N
52 GR N
100 GRN
100
YEL
47 BLK/WHT
29 BLK/WHT
29
B
L
K
/
W
H
T
BLK
RED
B
L
K
RED
17 BLK
BLK
17
48 RED
RED
48
TAN
40
BLK
13
1
3
B
L
K
13 BLK
16 TAN
18 TAN
TAN
50
25
BLK
25 BLK
2
5
B
L
K
12 BLU
12
BLU
45
BLK
45 BLK
45
B
L
K
1
BLK
1
B
L
K
58
GRN
58 GR N
5
8
G
R
N
BLK
15
15 BLK
15
BLK
44
YEL
44 YEL
4
4
Y
E
L
46
GRN
4
6
G
R
N
1
0
8
Y
E
L
60
BLU
60 BLU
6
0
B
L
U
5BLK
5
B
L
K
98 GR N
9
8
G
R
N
1
0
4
P
U
R
104 PUR
104 PUR
1
0
2
P
U
R
102 PUR
102 PUR
28 BLU
24 RED
2
4
R
E
D
32
RED
BLK
BLK
WHT
WHT
17 BLK
10 GRN
1
0
G
R
N
1
0
G
R
N
74 RED
74 RED
7
4
R
E
D
19 BLK
19 BLK
72 RED
3
0
R
E
D
66 YEL
2
6
Y
E
L
2
6
Y
E
L
26 YEL
37 BLK
62 RED
RED
62
31 BLK
31 BLK
31 BLK
90 YEL
90 YEL
96 PUR
96 PUR
92 YEL
92 YEL
94 YEL
88 RED
88 RED
86 RED
86 RED
86 RED
22 BLU
20 BLU
34
BLU
8
2
B
L
U
82 BLU
64 GR Y
130 GR Y
STR.
ROLL
EXT .
ROLL
SWITCH
REV . LIMIT
90 YEL
38
RED
3
8
R
E
D
38 RED
41 BLK
41 BLK
39
BLK
56
49 BLK
112
GRN
110
GRN
5
4
G
R
N
54 GR N
GRN
70 PUR
7
0
P
U
R
70
PUR
27 BLK
2
7
B
L
K
42 GR N
4
2
G
R
N
4GRY
4GRY
4GRY
43
B
L
K
2
3
B
L
K
11 BL K
1
1
B
L
K
36 RED
36 RED
7BLK
7
BLK
21 BLK
2
1
B
L
K
01
3
4
26
8
7
87A
87
85
86
30
86
85
87A
87
30
86
87A
85
87
30
PROPEL
SWITCH
14 BLU
14 BLU
FLUSH
SOLENOID
HOUR
METER
+
--
COM
NO
NC
(--) (+)
IN
118 GRY
118 GRY
125 RED
64 GR Y
120 RED 121 RE D
WHITE
RELAY
5
4
3
2
1
TIMER
130 GRY
3
B
L
K
116 ORG
13
4
2
(+)
(--)
1
1
7
B
L
K
1
2
6
B
L
K
WHT
(REL AY)
YLW (RELAY)
100
GRN
122 BLK
ORG
YELLOW
(REL AY)
127 GR Y
EXT
RS
EXT
RS
RELAY
1
0
8
Y
E
L
56 YEL56 YEL
#768688#768688
SOLUTION
WIRING DIAGRAM

Related product manuals