EasyManua.ls Logo

Nobles STRIVE COMPACT - Scrub Head Group

Nobles STRIVE COMPACT
73 pages
Print Icon
To Next Page IconTo Next Page
To Next Page IconTo Next Page
To Previous Page IconTo Previous Page
To Previous Page IconTo Previous Page
Loading...
STANDARD PARTS
Nobles StriveR Compact (07--2010)
18
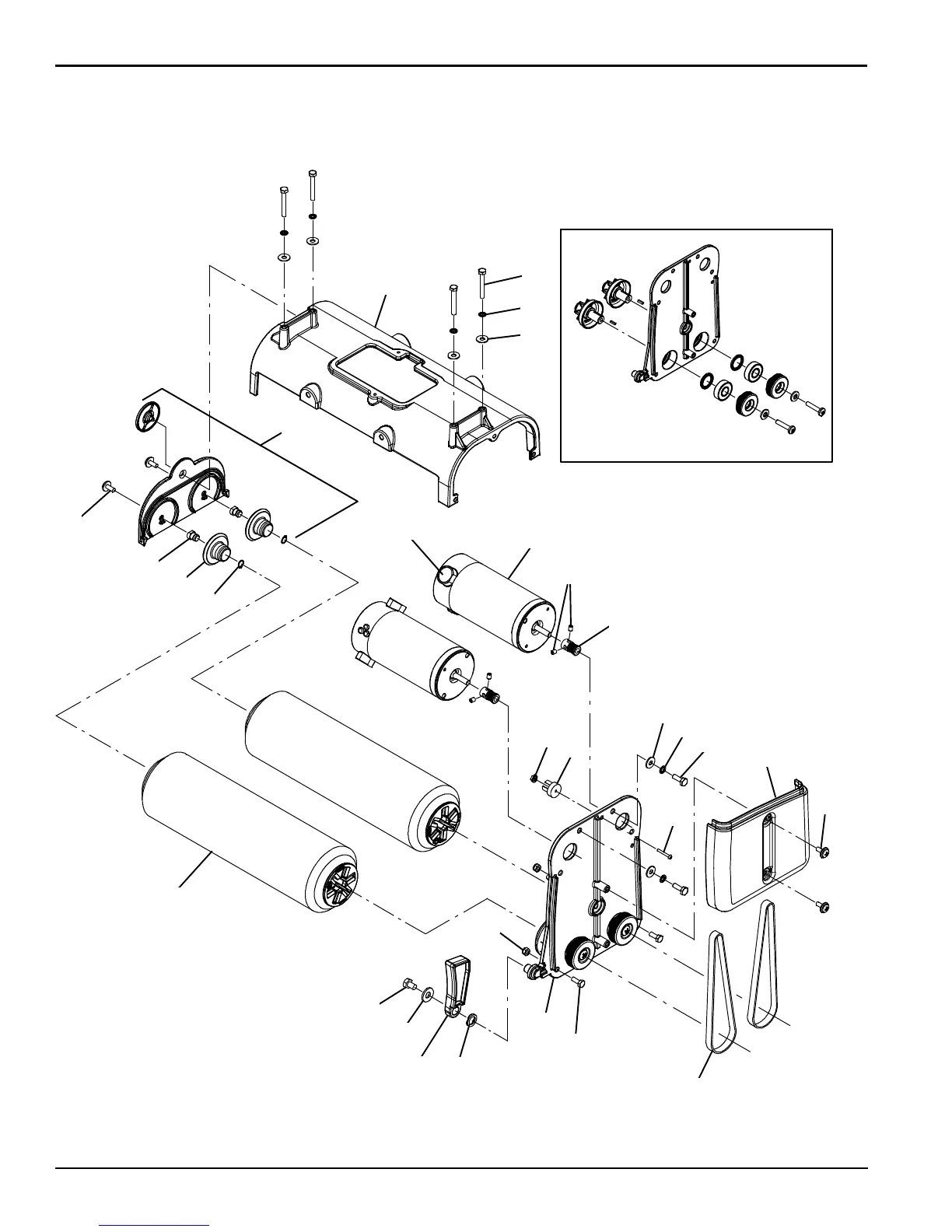
SCRUB HEAD GROUP
355066
(S/N 10000000--10451588)
Replaced By Kit #9004280
4
1
2
3
5
6
7
8
9
10
11
12
13
14
15
16
17
18
19
20
21
22
23
24
25
26
27
28
29
30

Table of Contents

Related product manuals