EasyManua.ls Logo

Nokia 500 - Internal Microphone; External Earpiece and Microphone

Nokia 500
192 pages
To Next Page IconTo Next Page
To Next Page IconTo Next Page
To Previous Page IconTo Previous Page
To Previous Page IconTo Previous Page
Loading...
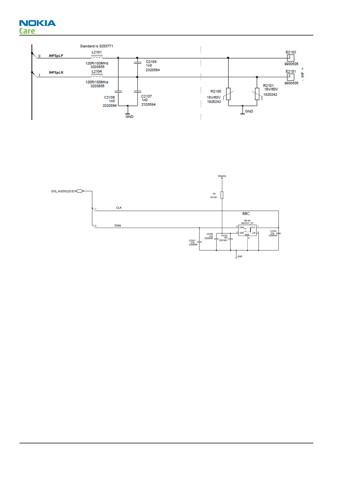
Figure 35 Internal handsfree (IHF) speaker diagram
Internal microphone
The digital microphone used is McCoy and it is connected to Rapu. DigiMic CLK is connected to Rapu Genio72
and DigiMic DATA is connected to Rapu Genio39.
Figure 36 Internal microphone diagram
External earpiece and microphone
The AV headset earpiece is connected to TPA6140 audio amplifier which is used for high quality audio output
and to guarantee long playback time for accessory use. TPA6140 is connected to Gazoo/Pearl XEarL, XEarLC,
XEarR, XEarRC lines for audio and is controlled via I2C_2 bus by RAPU.
The AV headset microphone line is connected to EM ASIC Gazoo/Pearl Mic2 line via AV switch N2037.
RM-750
System Module
Page 6 – 26 COMPANY CONFIDENTIAL Issue 1
Copyright © 2011 Nokia. All rights reserved.

Table of Contents

Other manuals for Nokia 500

Related product manuals