EasyManua.ls Logo

Nokia 7230 - Charger Interface

Nokia 7230
166 pages
To Next Page IconTo Next Page
To Next Page IconTo Next Page
To Previous Page IconTo Previous Page
To Previous Page IconTo Previous Page
Loading...
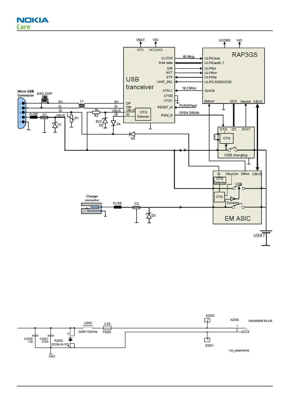
Figure 31 USB interface
The phone supports full speed (12 Mb/s) in device mode.
Charger interface
The charger interface is a 2 mm Dynamo charger plug. Older chargers with a 3.5 mm plug are supported via
the charger adapter cable CA-44.
Charging is controlled by GAZOO (N2200). Additional external components are needed for EMC purposes,
reverse polarity and transient protection of the input to the baseband module.
Figure 32 Charger interface
RM-598; RM-604
System Module
Page 5 –12 COMPANY CONFIDENTIAL Issue 1
Copyright © 2009 Nokia. All rights reserved.

Table of Contents

Other manuals for Nokia 7230

Related product manuals