EasyManua.ls Logo

Nokia RM-180 - Internal Microphone; External Microphone

Nokia RM-180
302 pages
To Next Page IconTo Next Page
To Next Page IconTo Next Page
To Previous Page IconTo Previous Page
To Previous Page IconTo Previous Page
Loading...
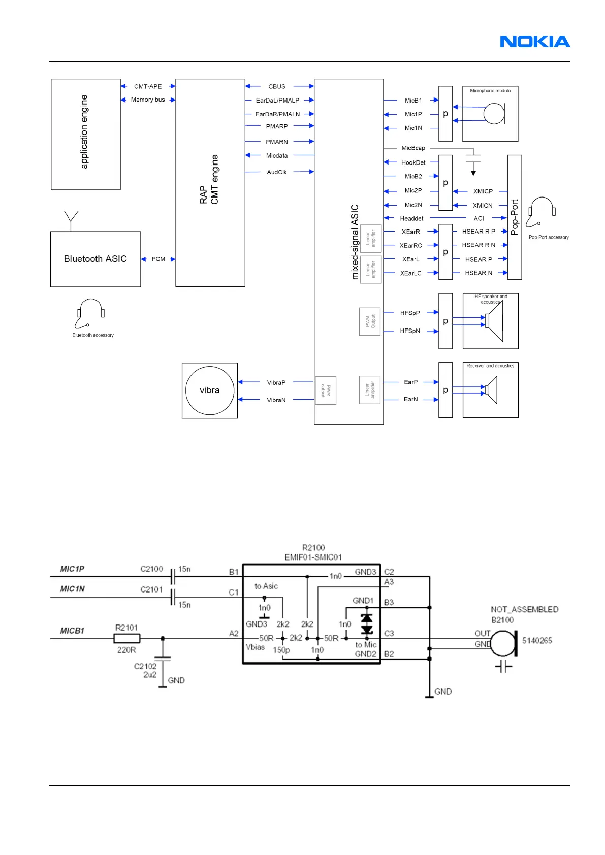
Figure 101 Audio block diagram
Internal microphone
Internal microphone is used for HandPortable (HP) and Internal HandsFree (IHF) call modes.
An analogue electret microphone is connected to N2200 Mic1P and Mic1N inputs via asymmetric electrical
connection.
The microphone is biased by N2200 MicB1 bias voltage output.
Figure 102 Internal microphone circuitry
External microphone
Galvanic accessories are connected to the system connector.
RM-180
System Module Nokia Customer Care
Issue 1 COMPANY CONFIDENTIAL Page 9 –29
Copyright © 2006 Nokia. All rights reserved.

Table of Contents

Other manuals for Nokia RM-180

Related product manuals