EasyManua.ls Logo

Norac UC7 - Page 7

Norac UC7
39 pages
Print Icon
To Next Page IconTo Next Page
To Next Page IconTo Next Page
To Previous Page IconTo Previous Page
To Previous Page IconTo Previous Page
Loading...
WWW.NORAC.CA
PRECISIONDEFINED

Page4
Visitwww.solutions.norac.caformoresystem
installationandtroubleshootinginfo.
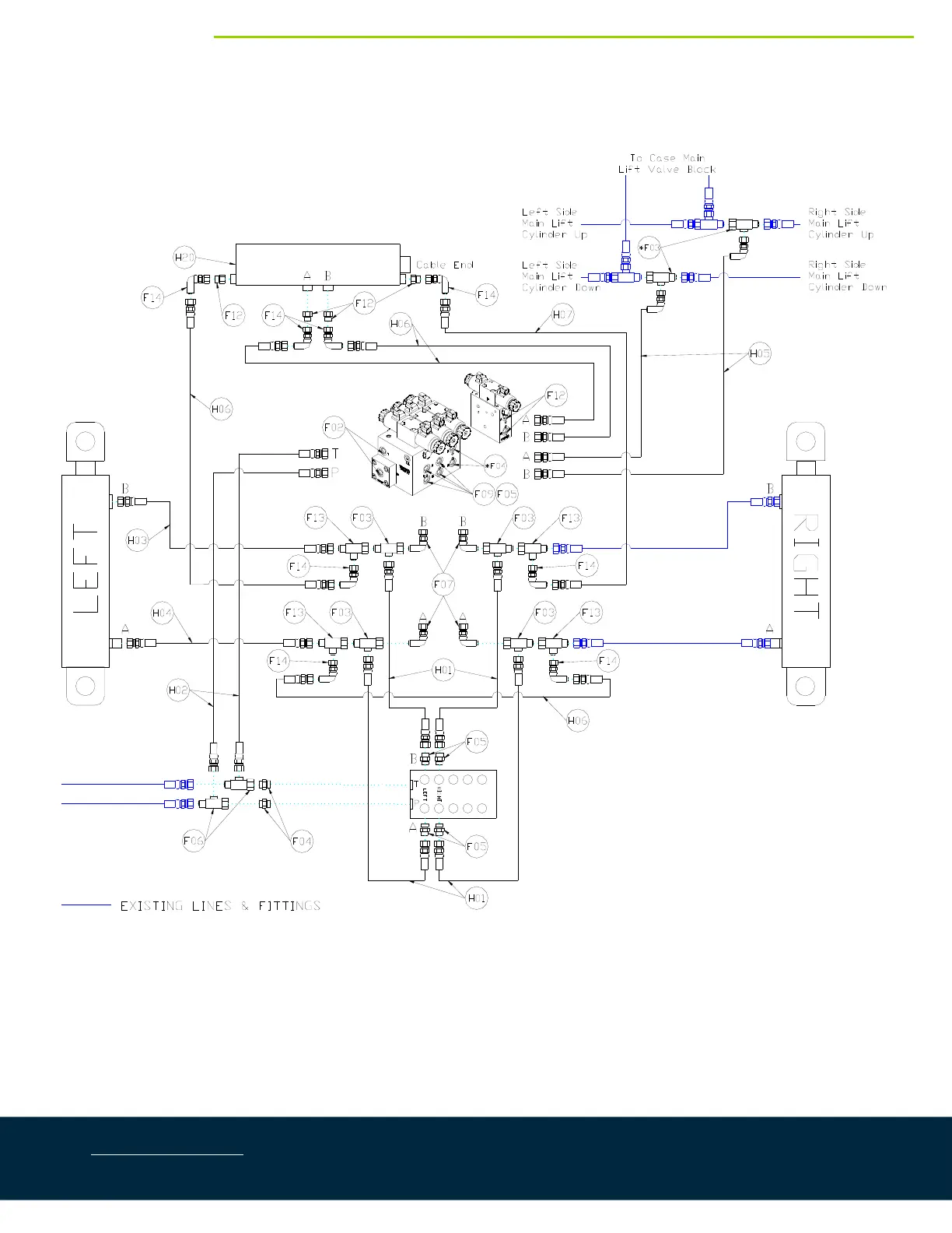
3.2. HydraulicPlumbingSchematic
Figure2:HydraulicPlumbingSchematic

Related product manuals