EasyManua.ls Logo

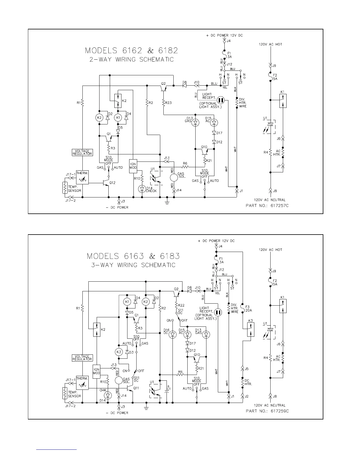
Norcold 600 - Wiring Schematics for Models 6162;6182 and 6163;6183; Models 6162 & 6182 2-Way Wiring Schematic; Models 6163 & 6183 3-Way Wiring Schematic

Norcold 600
41 pages
Print Icon
To Next Page IconTo Next Page
To Next Page IconTo Next Page
To Previous Page IconTo Previous Page
To Previous Page IconTo Previous Page
Loading...
B101
1