EasyManua.ls Logo

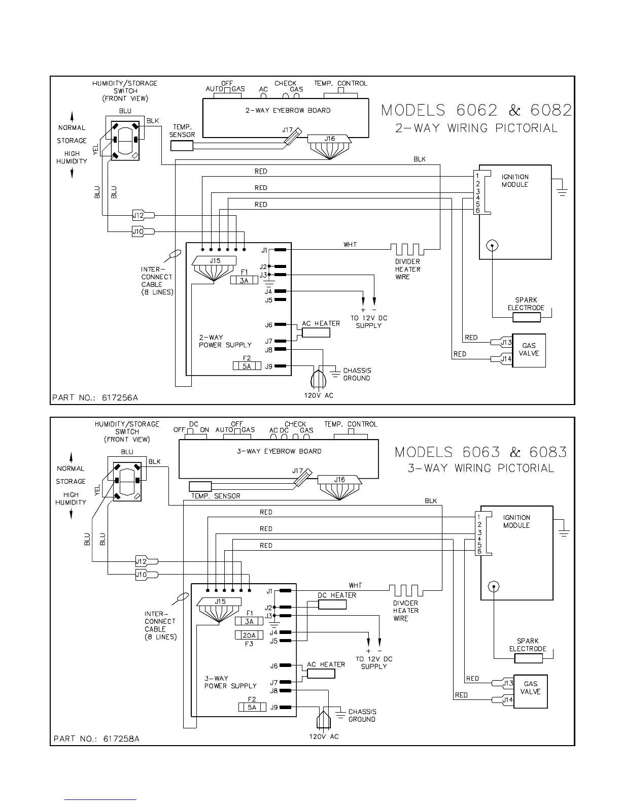
Norcold 600 - Wiring Pictorials for Earlier Versions; Models 6062 & 6082 2-Way Wiring Pictorial; Models 6063 & 6083 3-Way Wiring Pictorial

Norcold 600
41 pages
Print Icon
To Next Page IconTo Next Page
To Next Page IconTo Next Page
To Previous Page IconTo Previous Page
To Previous Page IconTo Previous Page
Loading...
B101
40