EasyManua.ls Logo

Norcold N305X - Schéma de Câblage

Norcold N305X
28 pages
Print Icon
To Previous Page IconTo Previous Page
To Previous Page IconTo Previous Page
Loading...
Manuel d’utilisation 14
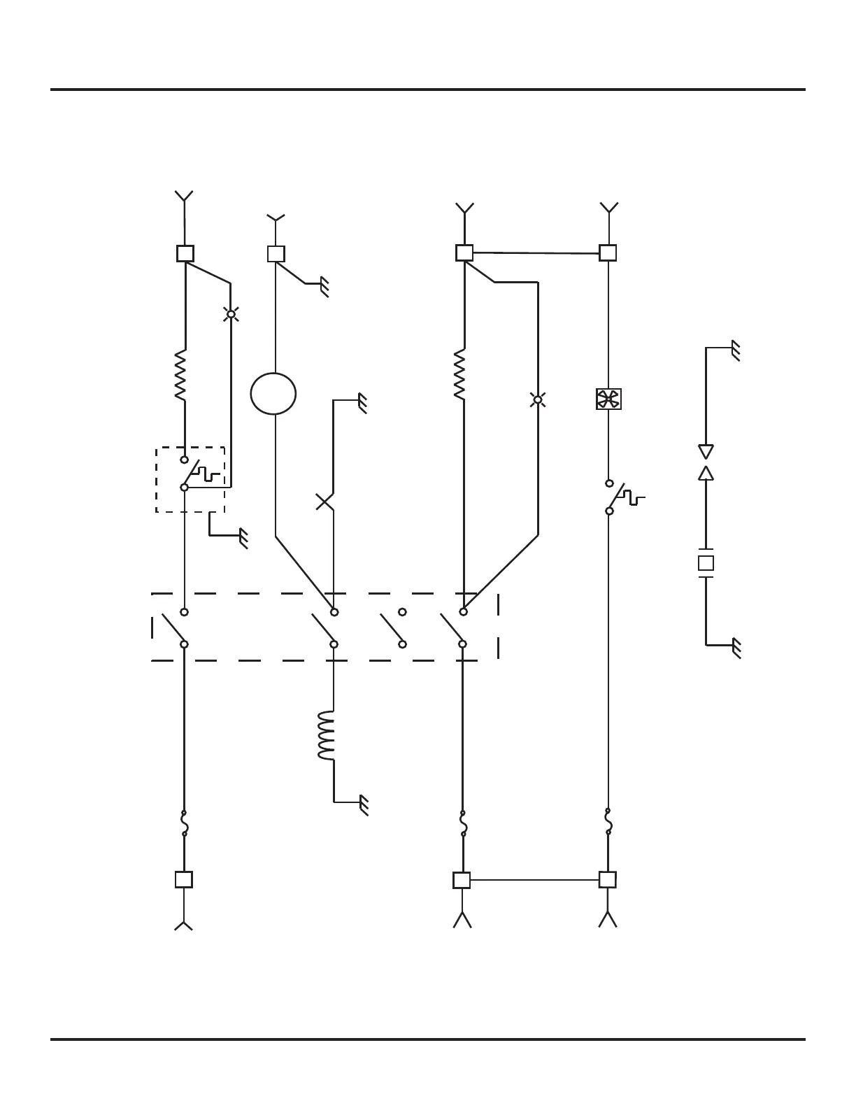
Schéma de câblage
12Vdc_Gnd
Sol 12VCC
4a
4b
20-Amp Fuse
Fusible 20 A
+12Vdc_In
+ 12VCC en
DC Heater
Élém. chauffant CC
12V Light
Lampe 12V
Thermostat /
Thermostat
120
VAC_Line
Ligne 120 VCA
120VAC_Neutral
120VCA neutre
1a
1b
3-Amp Fuse
Fusible 3 A
Thermostat
Thermostat
4
3
Piezo /
Allumeur
piézo
électrique
Spark Gap
Écart d’electrode
Thermocouple /
Thermocouple
2a
2b
Flame
Meter
120
VAC_Safety_Ground
Masse de sécurité 120VCA
3a
3b
Selector Switch
Sélecteur
1-Amp Fuse
Fusible 1 A
Wiring Schematic
Schéma de câblage
Models / Modèles N305,
N306 PN- 636535 Rev A
AC Heater
Élém. chauffant CA
Safety Valve
Vanne de sécurité
Fan
Ventilateur
120V Light
Lampe 120V
+12Vdc_In
+ 12VCC en
12Vdc_Gnd
Sol 12VCC
Flame Meter
Détecteur
a flamme

Table of Contents

Related product manuals