EasyManua.ls Logo

Norcool Cu-330 Split - Electric Connections CU-330;450

Norcool Cu-330 Split
Print Icon
To Next Page IconTo Next Page
To Next Page IconTo Next Page
To Previous Page IconTo Previous Page
To Previous Page IconTo Previous Page
Loading...
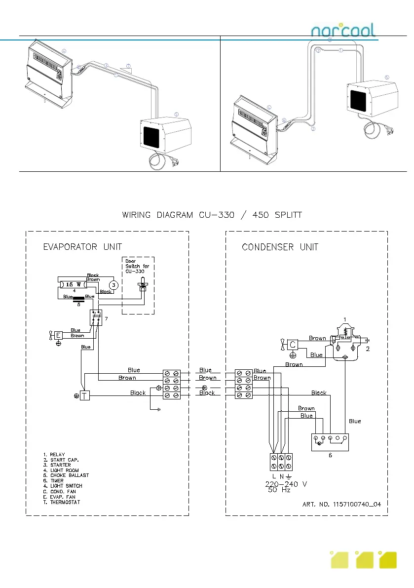
1. Suction pipe 4. Cold element
2. Oil lock 5. Warm element
3. Electric cable 3 6. Filter
plus earth 7. Fall
Electric connections
Run a 3 wire plus earth cable (for minimum 10A current) from cable clamp on evaporator element
to that on the condenser element. Connection diagram built in to condenser element cover.
Alternative 1
Alternative 2
6

Table of Contents

Related product manuals