EasyManua.ls Logo

Norsup P31V/32 - Page 222

Default Icon
273 pages
Print Icon
To Next Page IconTo Next Page
To Next Page IconTo Next Page
To Previous Page IconTo Previous Page
To Previous Page IconTo Previous Page
Loading...
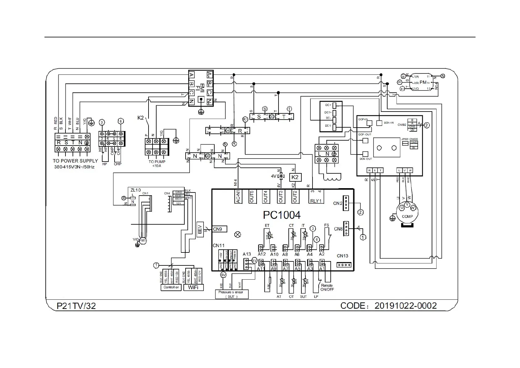
6.BIJLAGE
6.1 Schakelschema
Driver module board
Electric reactor
AT Omgevingstemperatuur
COMP Compressor
CT Coil temperatuur
EEV Electronische expantie klep
ET Uitlaat temperatuur
FM Ventilator motor
FS Stroomschakelaar
HP Hoge druk bescherming
IT Invoer water temperatuur
K2 Pomprelais
LP Lage druk bescherming
OT Uitvoer water temperatuur
OHP: Oververhitting
bescherming
SUT: Afzuig temperatuur
4V: 4wegklep

Table of Contents

Related product manuals