EasyManua.ls Logo

Norsup P31V/32 - Placering Af Rørføring Til Varmepumpe Til Swimmingpools; Hvor Tæt På Din Swimmingpool

Default Icon
273 pages
Print Icon
To Next Page IconTo Next Page
To Next Page IconTo Next Page
To Previous Page IconTo Previous Page
To Previous Page IconTo Previous Page
Loading...
3. INSTALLATION OG TILSLUTNING
3.2 Placering af rørføring til varmepumpe til swimmingpools
Enheden arbejder bedst udendørs, forudsat at tre af følgende faktorer er til stede:
1. Frisk luft - 2. Elektricitet - 3. Poolfilterrørføring
Enheden kan installere stort set overalt udendørs. Indendørs swimmingpools: Kontakt venligst
forhandleren. Til forskel fra en gasvarmer har produktet ikke problemer træk eller startantænding i
områder med kraftig vind.
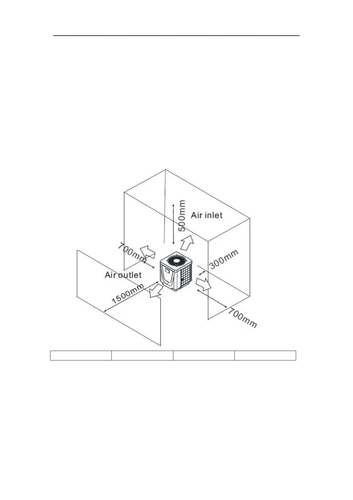
UNDGÅ at placere enheden i et lukket område med begrænset luftvolumen., hvor enheder udleder
luft, og hvor luft recirkuleres.
PLACER IKKE enheden noget, der kan blokere for luftindløbet. Disse placeringer r det
umuligt for enheden at opnå en konstant forsyning af frisk luft og kan forhindre tilstrækkelig
varmelevering.
Air inlet
Luftindløb
Air outlet
Luftudløb
3.3 Hvor tæt din swimmingpool?
Normalt skal swimmingpoolens varmepumoe installeres inden for 7,5 meter af swimmingpoolen.
Jo længere afstanden er til swimmingpoolen, desto større er varmetabet fra rørføringen.
Rørføringen graves for det meste ned. Af samme årsag er varmetabet minimalt for udlægninger op
til 15 meter (15 meter til og fra pumpen = 30 meter samlet), medmindre jorden er våd, eller
vandlejet er højt. Et meget groft estimat af varmetabet pr. 30 meter er 0,6 kWh (2000 BTU) for
hver 5 temperaturforskel mellem swimmingpoolens vand og den jord, som omgiver røret,
hvilket svarer til en forøgelse i driftstid omtrent 3 % til 5 %.

Table of Contents

Related product manuals