EasyManua.ls Logo

Norsup P31V/32 - Page 266

Default Icon
273 pages
Print Icon
To Next Page IconTo Next Page
To Next Page IconTo Next Page
To Previous Page IconTo Previous Page
To Previous Page IconTo Previous Page
Loading...
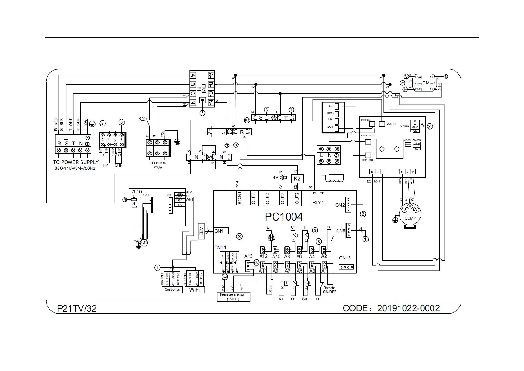
6.APPENDIX
6.1 Krets diagram
AT: Omgivande temperatur:
COMP: Kompressor
CT: Spoltemperatur
EEV: Elektronisk
expansionsventil
ET: Avgasstemperatur
FM: Fläktmotor
FS: Flödesbrytare
HP: Högtrycksskydd
PM: Fasmonitor
IT: Inloppsvattentemperatur
K2: Relä pump
LP: Lågtrycksskydd
OT: Utloppsvattentemperatur
OHP: Överhettningsskydd
SUT: Sugtemperatur
4V: 4-vägsventil
Driver-modulskort
Elektrisk reaktor

Table of Contents

Related product manuals