EasyManua.ls Logo

Norsup P31V/32 - Page 268

Default Icon
273 pages
Print Icon
To Next Page IconTo Next Page
To Next Page IconTo Next Page
To Previous Page IconTo Previous Page
To Previous Page IconTo Previous Page
Loading...
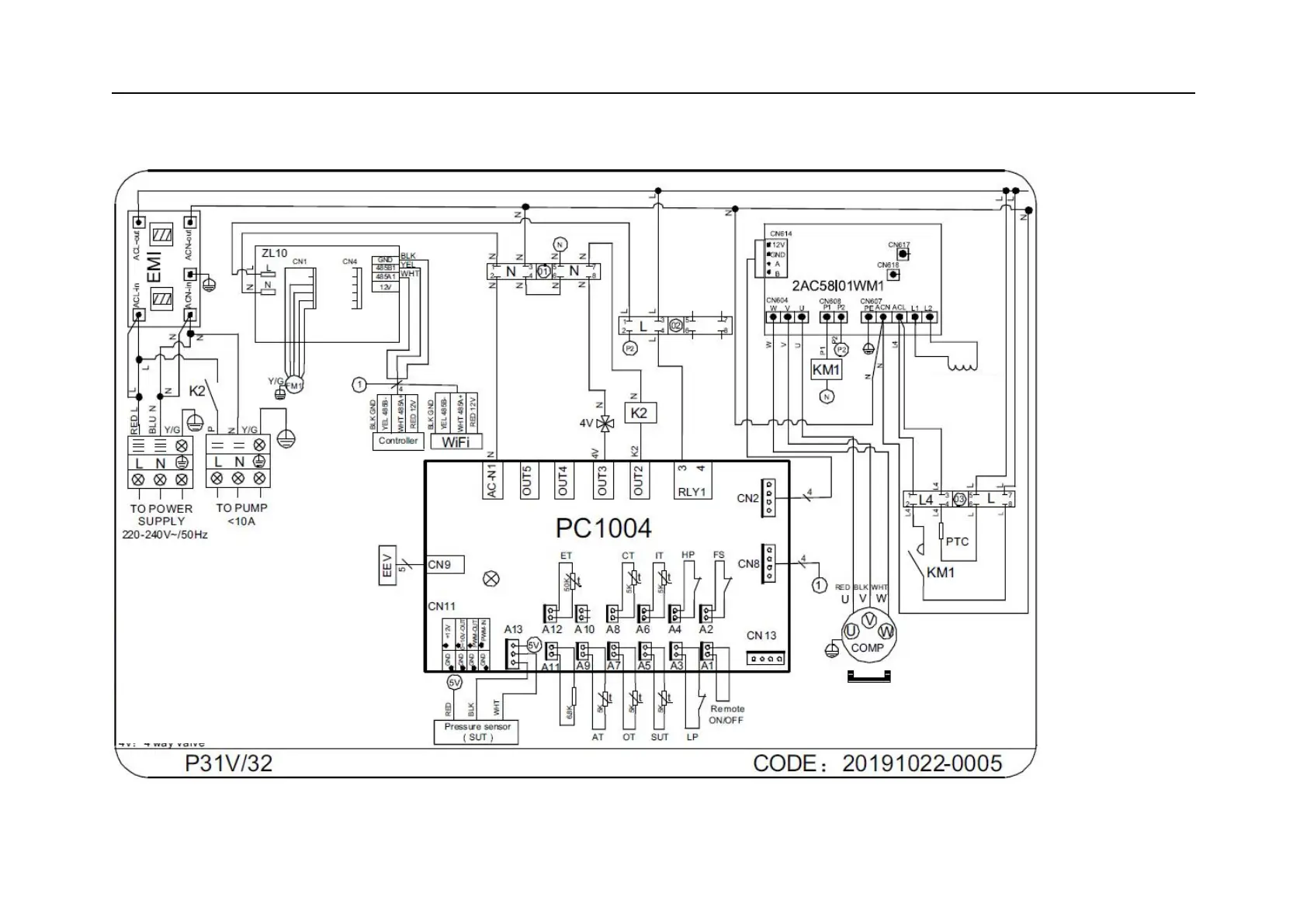
6.APPENDIX
6.1 Krets diagram
Elektrisk reaktor
AT: Omgivande temperatur:
COMP: Kompressor
CT: Kyl temperatur
EEV: Elektronisk expansionsventil
ET: Avgasstemperatur
FM: Fläktmotor
FS: Flödesbrytare
HP: Högtrycksskydd
IT: Inloppsvattentemperatur
KM1: Kontaktor för kompressor
K2: Relä pump
LP: Lågtrycksskydd
OT: Utloppsvattentemperatur
PM: Fasmonitor
SUT: Sugtemperatur
4V: 4-vägsventil

Table of Contents

Related product manuals