EasyManua.ls Logo

Norsup P31V/32 - Page 39

Default Icon
273 pages
Print Icon
To Next Page IconTo Next Page
To Next Page IconTo Next Page
To Previous Page IconTo Previous Page
To Previous Page IconTo Previous Page
Loading...
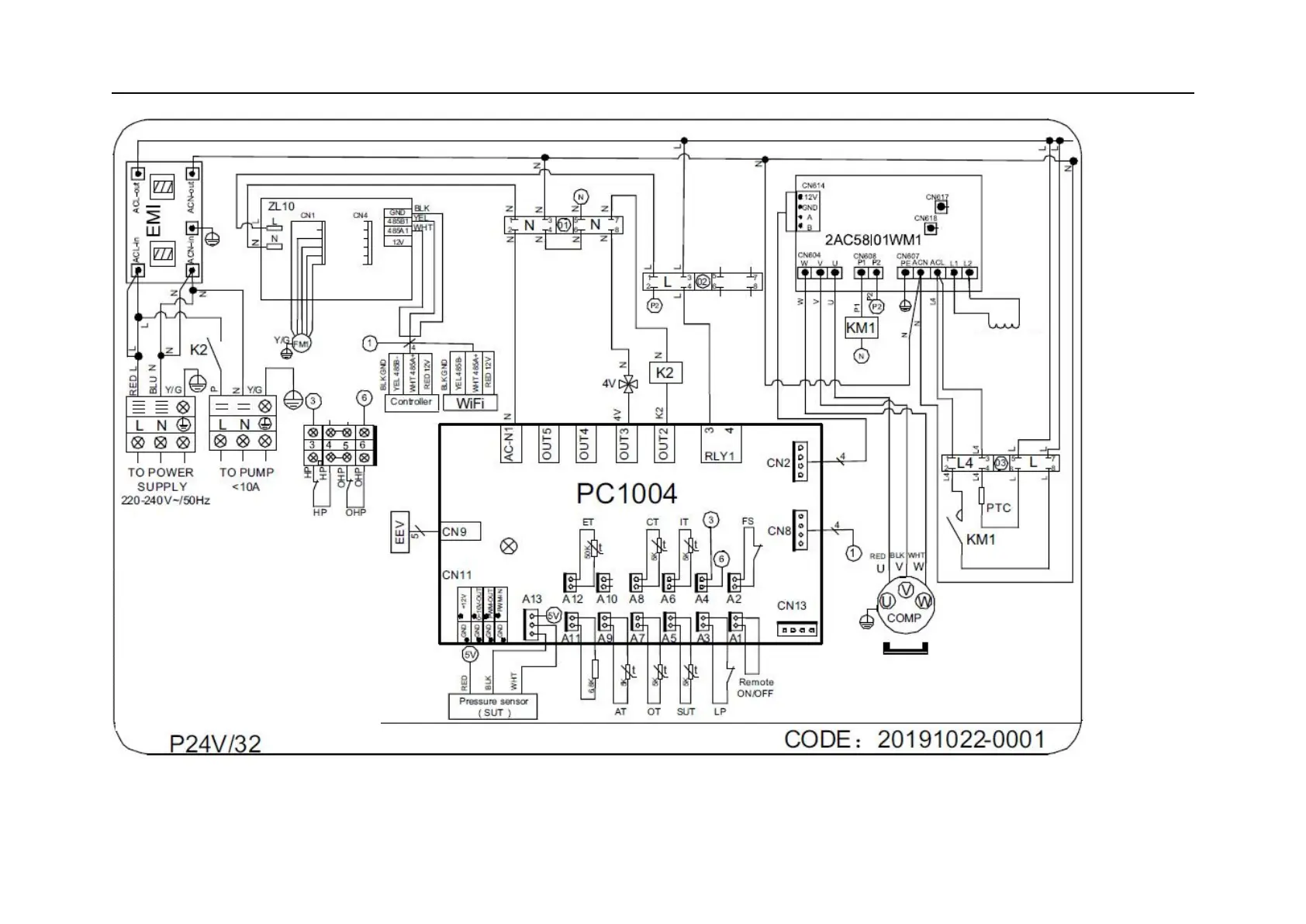
6.APPENDIX
Electric reactor
AT: Ambient temperature
COMP: Compressor
CT: Coil temperature
EEV: Electronic expansion valve
ET: Exhaust temperature
FM: Fan motor
FS: Flow switch
HP: High pressure protection
IT: Inlet water temperature
KM1: Contactor of compressor
K2: Relay of pump
LP: Low pressure protection
OT: Outlet water temperature
OHP: Overheat protection
PM: Phase monitor
SUT: Suction temperature
4V: 4way valve

Table of Contents

Related product manuals