EasyManua.ls Logo

Norsup P31V/32 - Page 84

Default Icon
273 pages
Print Icon
To Next Page IconTo Next Page
To Next Page IconTo Next Page
To Previous Page IconTo Previous Page
To Previous Page IconTo Previous Page
Loading...
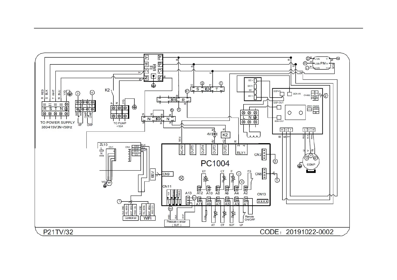
6. SPECIFIKATION
6.1 Kredsløbsdiagram
AT: omgivelsestemperatur
COMP: kompressor
CT: spoletemperatur
EEV: elektronisk
ekspansionsventil
ET: udledningstemperatur
FM: ventilatormotor
FS: gennemstrømningskontakt
HP: højtryksbeskyttelse
PM: fasemonitor
IT: indløbsvandtemperatur
K2: pumperelæ
LP: lavtryksbeskyttelse
OT: udløbsvandtemperatur
OHP: beskyttelse imod
overophedning
SUT: sugetemperatur
4V: 4-vejsventil
Drevmodulpanel
Elektrisk reaktor

Table of Contents

Related product manuals