EasyManua.ls Logo

Norsup SP13 - Appendix; Circuit Diagram

Default Icon
196 pages
Print Icon
To Next Page IconTo Next Page
To Next Page IconTo Next Page
To Previous Page IconTo Previous Page
To Previous Page IconTo Previous Page
Loading...
ENNL
FR
DA
SV
EN
DE
Des altérations au service du progrès technologique ainsi que des erreurs sauf! NOTICE ORIGINALE NORSUP
WWW.NORSUP.EU Des altérations au service du progrès technologique ainsi que des erreurs sauf!
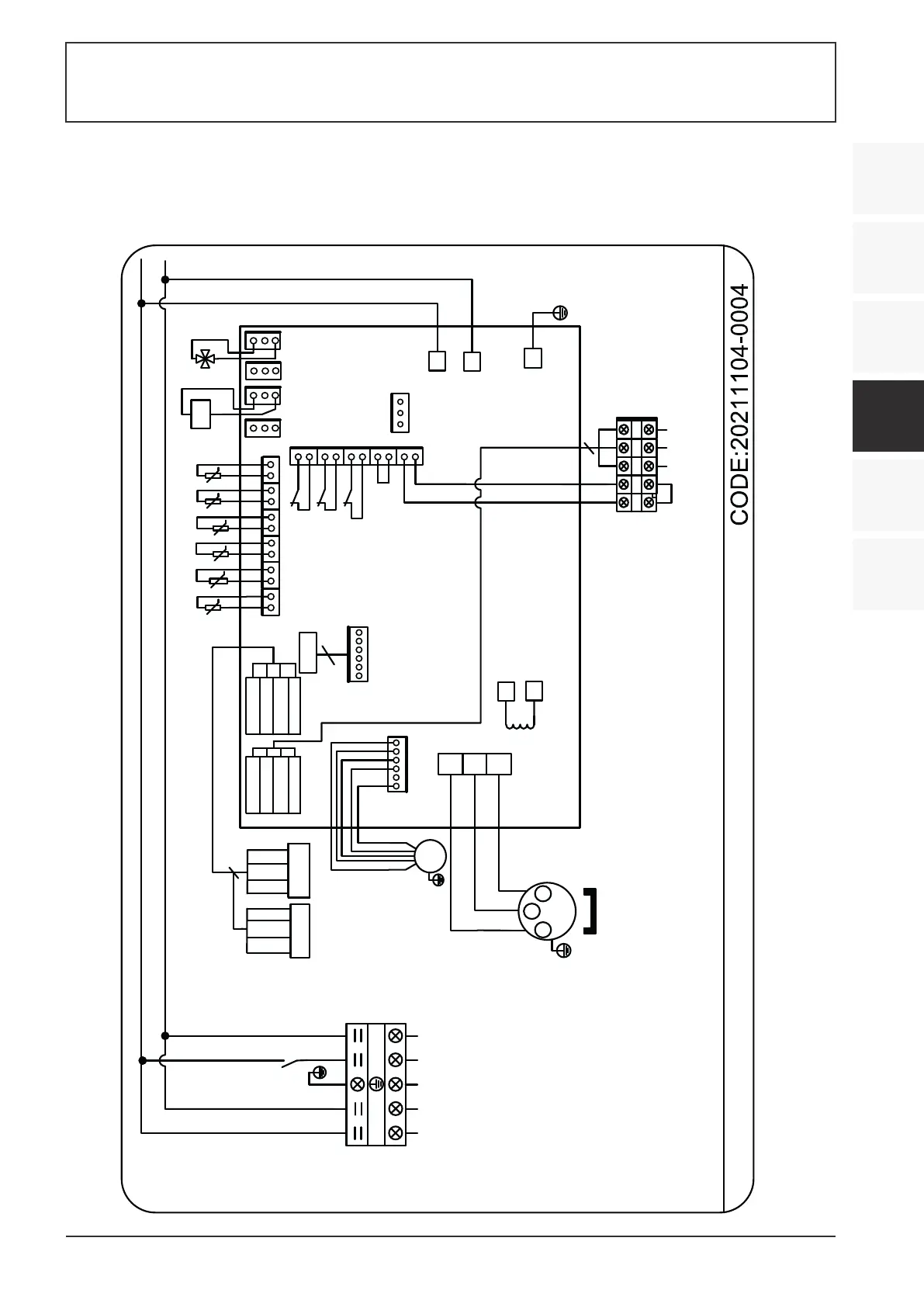
6. APPENDIX
6.1 CIRCUIT DIAGRAM
Étiquetage
Léquipement doit porter une étiquette indiquant qu‘il a é
mis hors service et vidé de son réfrigérant. L‘étiquette doit être
datée et signée. Sassurer qu‘il y a des étiquettes sur léquipe-
ment indiquant qu’il contient un réfrigérant inflammable.
Récupération
Lors de l‘enlèvement du réfrigérant d‘un système, que ce
soit pour lentretien ou le déclassement, il est recommandé
d‘enlever tous les réfrigérants de f
on sécuritaire. Lors du
transfert du réfrigérant dans les bouteilles, s‘assurer que
seules des bouteilles de récupération de réfrigérant
appropriées sont utilisées. Sassurer que le nombre correct
de bouteilles pour contenir la charge totale du système est
disponible. Toutes les bouteilles à utiliser sont désignées
pour le réfrigérant récuré et étiquetées pour ce réfrigérant
(c‘est-à-dire des bouteilles spéciales pour la r
écupération du
réfrigérant). Les bouteilles doivent être équipées d‘une
soupape de surpression et des robinets d‘arrêt associés en
bon état de marche. Les bouteilles de récupération vides
sont évacuées et, si possible, refroidies avant la récupération.
Léquipement de cupération doit être en bon état de
marche avec un ensemble d‘instructions concernant
l‘équipement à portée de main et doit être adapté à la
récupération des réfr
igérants inflammables. En outre, un jeu
de balances calibrées doit être disponible et en bon état de
marche. Les tuyaux doivent être complets et en bon état
avec des raccords de sectionnement étanches. Avant
d‘utiliser la machine decupération, vérifier qu‘elle est en
bon état de marche, qu‘elle a été correctement entretenue
et que tous les composants électriques associés sont scellés
pour éviter toute inflammation en cas
de dégagement de
réfrigérant. Consulter le fabricant en cas de doute. Le
réfrigérant récupé doit être renvoyé au fournisseur de
réfrigérant dans la bouteille decupération appropriée et
le bulletin de transfert de déchets correspondant doit être
disposée. Ne pas mélanger les réfrigérants dans les unités
de récupération et surtout pas dans les bouteilles.
Si des compresseurs ou des huiles de compresseur doivent
être e
nles, s‘assurer qu‘ils ont été évacués à un niveau
acceptable pour s‘assurer que le réfrigérant inflammable ne
reste pas dans le lubrifiant. Le processus d‘évacuation doit
être effectué avant de retourner le compresseur aux four-
nisseurs. Seul le chauffage électrique du corps du compresseur
doit être utili pour aclérer ce processus. Lorsqu’il faut
vidane le système, cela doit être fait en toute sécurité.
Déclassement
Avant d‘effectuer cette procédure, il est essentiel que le
technicien maitrise parfaitement l‘équipement et tous ses
détails. Il est recommandé de récupérer tous les fluides
frigorigènes en toute sécurité. Avant de commencer, un
échantillon d‘huile et de réfrigérant doit être préle au cas
où une analyse serait nécessaire avant la réutilisation du
réfrigérant récupé.
Il est essentiel que l‘alimentation électrique soit dis
ponible
avant le début de la tâche
a) Se familiariser avec léquipement et son fonctionnement.
b) Isoler électriquement le système.
c) Avant de tenter la procédure, assurez-vous que :
. Un équipement de manutention mécanique est
disponible, au besoin, pour la manutention des
bouteilles de réfrigérant ;
. Tous les équipements de protection individuelle sont
disponibles et utilisés correctement ;
. Le processus de récupération
est supervisé en tout
temps par une personne compétente ;
. L‘équipement et les bouteilles de récupération sont
conformes aux normes appropriées.
d) Si possible, vidanger le circuit frigorifique.
e) S‘il n‘est pas possible d‘obtenir un vide, installer un
collecteur de manière à ce que le fluide frigorigène puisse
être évacué des différentes parties de l‘installation.
f) S‘assurer que la bouteille est situé sur la
balance avant de
procéder à la récupération.
g) Démarrer la machine de récupération et la faire
fonctionner conformément aux instructions du fabricant.
h) Ne pas trop remplir les bouteilles (Pas plus de 80 % de
charge liquide en volume).
i) Ne pas dépasser la pression de service maximale de la
bouteille, même temporairement.
j) Lorsque les bouteilles ont été remplies correctement et
que le processus est terminé, s‘assurer que les bouteil
les
et l‘équipement sont retirés du site rapidement et que
toutes les vannes d‘isolation de l‘équipement sont feres.
k) Le réfrigérant récupéré ne doit pas être chardans un
autre sysme de réfrigération sans avoir été nettoyé et
rifié.
Procédures de charge
En plus des procédures de charge conventionnelles, les
exigences suivantes doivent être respectées.
- Veillez à ce qu‘il ny ait pas de contamination des
diff
érents frigérants lors de l‘utilisation de l‘équipement
de charge. Les tuyaux ou conduites doivent être aussi
courts que possible pour réduire au minimum la quantité
de réfrigérant qu‘ils contiennent.
- Maintenir les bouteilles en position verticale.
- S‘assurer que le système de réfrigération est mis à la terre
avant de le charger de frigérant.
- Marquez le sysme lorsque la charge est terminée (si ce
n‘est pas déjà fait).
- Faire très attention de ne pas trop remplir le système de
réfrigération. Avant de recharger le système, il doit être
soumis à un test de pression avec lAEO. Le système doit
faire l‘objet d‘un test d‘étanchéité à la fin de la charge,
mais avant la mise en service. Un test d‘étanchéité de
suivi doit être effectué avant de quitter le site.
Le modèle de câble de sécurité est de 5*20_5A/250VAC.
Et doit répondre aux exigences a
ntidéflagrantes
L N
1
2
P
N
220-240V~/50Hz
L
N
RED
BLU
TO POWER
SUPPLY
N
Y/G
K2
L
TO PUMP
CN11
P14L
P13L
CN99
PL
FS
LP
CN30
5
EEV
ACL
ACN
GND
CN15
reactor
COMP
U
V
W
U
W
V
RED
BLK WHT
U W
V
L
DCFAN
CN97
HP
BRN
BLU
AT Température ambiante
COMP : Compresseurs
CT : Température de la bobine
EEV : Soupape d'expansion électronique
ET : Température des gaz d'échappement
FM : Moteur du ventilateur
FS : Interrupteur de débit
HP : Protection haute pression
IT : Température de l'eau à l'entrée
K2 : Réel de la pompe
LP : Protection basse pression
OT : Température de l'eau à la sortie
SUT : Température d'aspiration
4V : Vanne à 4 voies
FM
t
5K
t
50K
t
5K
t
5K
CN13CN18CN66
CN42
485B1
485A1
12V
GND
GND
485A1
485B1
RS485-
2(CC)
RS485
4
4V
K2
OT
(RED)
AT
(WHT)
IT
(BLU)
SUT
(GRN)
CT
(YEL)
ET
(GRY)
t
5K
t
5K
YEL 485B-
BLK GND
RED 12V
WHT 485A+
Controller
MODE
3
4
Remote
ON/OFF
WiFi
BLK GND
YEL 485B-
WHT 485A+
RED 12V
567
RED
WHT
BLK
3
485A+
485B-
GND
SP13
126
127
THERMOPOMPE POUR PISCINE TYPE SP
THERMOPOMPE POUR PISCINE TYPE SP

Table of Contents

Related product manuals