EasyManua.ls Logo

Norsup SP13 - Appendix; Krets Diagram

Default Icon
196 pages
Print Icon
To Next Page IconTo Next Page
To Next Page IconTo Next Page
To Previous Page IconTo Previous Page
To Previous Page IconTo Previous Page
Loading...
ENNL
FR
DA
SV
EN
DE
Förändringar som tjänar såväl den tekniska utvecklingen som undantagna fel! ANVÄNDARMANUAL NORSUP
WWW.NORSUP.EU Förändringar som tjänar såväl den tekniska utvecklingen som undantagna fel!
Ã…tervinning
Vid borttagning av köldmedium från ett system, antingen
för service eller avveckling, så rekommenderas det att
god practise följs så att allt kylmedel tas bort på ett
säkert sätt. Vid överföring av kylmedium till cylindrar, se
till att endast lämpliga återvinnings cylindrar används.
Se till att det finns rätt antal cylindrar för att rymma den
tot
ala systemladdningen som finns närvarande. Alla
cylindrar som ska användas skall vara avsedda för det
återvunna kylmedlet och vara märkta för det kylmedlet
(dvs specialcylindrar för återvinning av kylmedel).
Cylindrarna ska vara kompletta med tryckavlastnings
ventiler och tillhörande avstängningsventiler ii gott
arbetande skick. Tomma återvinningscylindrar skall
vara evakuerade och om möjligt nedkylda innan
Ã¥tervinning sker. Ã…tervinningsutrustningen
ska vara i
gott skick tillsammans med en uppsättning instruktioner
för den utrustning som finns till hands och ska vara
lämplig för återvinning av brandfarliga kylmedel.
Dessutom ska en uppsättning kalibrerade vågar finnas
tillgängliga och vara i gott skick. Slangarna ska vara
kompletta med läck fria frånkopplingar och i ett gott
skick. Innan användning av återvinningsmaskinen,
kontrollera att den är i fungerade skick, har blivit korrekt
underhållen
och att tillhörande elektriska komponenter
är förseglade för att förhindra någon antändning om det
inträffar utsläpp av kylmedel, Kontakta tillverkaren om
du är osäker. Det återvunna kylmedlet skall returneras
till leverantören av kylmedlet i en korrekt återvinnings-
cylinder och en relevant Note för returnering av avfall
skall finnas. Blanda inte kylmedel i återvinningsenheter
och särskilt inte i cylindrar. Om kompressorer eller olja
för kompressorer ska avlägsnas, se till att de har
evakuerats till en acceptabel nivå för att säkerställa att
brandfarligt köldmedium inte förblir i smörjmedlet.
Evakuerings processen ska utföras innan kompressorn
blir returnerad till leverantörerna. Elektrisk uppvärmning
av kroppen till kompressorn får användas för att
accelerera den processen. Olja skall dräneras på ett
säkert sätt från systemet.
Avveckling
Innan denna procedur utförs är det viktigt att teknikern
är helt bekant med utrustningen och alla dess detaljer.
Det rekommenderas att följa god praxis för att återvinna
alla kylmedel. Innan uppgiften utförs skall ett prov tas
på olja och kylmedel före återanvändning av återvunnet
kylmedel. Det är viktigt att elektrisk ström finns
tillgängligt innan arbetet utförs.
a) Bekanta dig med utrustningen och dess användning.
b) Isolera systemet elektriskt.
c) Innan du försöker proceduren,
se till att:
- Mekanisk hanteringsutrustning finns tillgänglig om
nödvändigt för hantering av kylmedelscylindrar;
- All personlig skyddsutrustning skall finnas
tillgängligt och skall användas korrekt.
- Återställningsprocessen skall alltid övervakas av en
behörig person;
- Återvinningsutrustning och cylindrar skall följa
rekommenderade standarder.
d) Minska trycket i kylmedelssystemet, om möjligt.
e) Om ett vakuum inte är möjligt, gör ett grenrör
så att
kylmedlet kan avlägsnat från olika delar av systemet.
f) Se till att cylindern sitter på vågen innan
återvinningen utförs.
g) Starta återvinningsmaskinen och kör i enlighet med
tillverkarens anvisningar.
h) Överfyll inte cylindrarna. (Högst 80% flytande
laddnings volym)
i) Överskrid inte cylinderns maximala arbetstryck, inte
ens tillfälligt.
j) När cylindrarna har fyllt korrekt och processen är
avslutad, se till att cylindrar och
utrustning tas bort
genast från platsen och att alla isolerings ventiler på
utrustningen är stängda.
k) Återvunnet kylmedel får inte laddas i ett annat
kylsystem om det inte har rengjorts och kontrollerats.
Laddningsförfaranden
Utöver konventionella laddningsförfaranden ska
följande krav följas.
- Se till att kontaminering av olika köldmedier inte
uppstår när du använder laddningsutrustning. Slangar
eller ledningar ska vara så korta s
om möjligt för att
minimera mängden av kylmedel som finns i dem.
- Cylindrar ska hållas upprätta.
- Se till att kylsystemet är jordat innan systemet laddas
med kylmedium.
- Märk systemet när laddningen är klar om detta inte
redan är gjort)
- Extrem försiktighet måste iakttas för att inte överfylla
kylsystemet. Innan systemet laddas ska det tryck testas
med OFN. Systemet ska testas för eventuellt läckage vid
laddningens slut men innan det s
ätts i drift. Ett upp-
följande test av läckage ska utföras innan platsen lämnas.
Säkerhets trådmodellen är 5*20_5A/250VAC.
Och måste uppfylla de explosionssäkra kraven
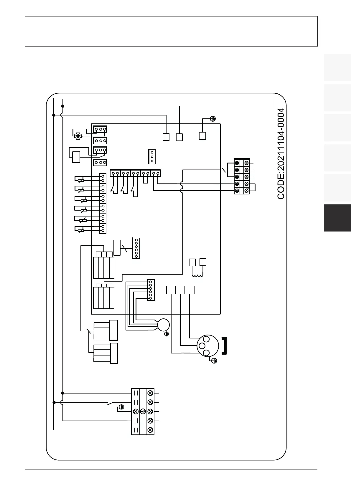
6. APPENDIX
6.1 KRETS DIAGRAM
L N
1
2
P
N
220-240V~/50Hz
L
N
RED
BLU
TO POWER
SUPPLY
N
Y/G
K2
L
TO PUMP
CN11
P14L
P13L
CN99
PL
FS
LP
CN30
5
EEV
ACL
ACN
GND
CN15
reactor
COMP
U
V
W
U
W
V
RED
BLK WHT
U W
V
L
DCFAN
CN97
HP
BRN
BLU
Omgivningstemperatur
COMP: Kompressor
CT: Spole temperatur
Elektronisk expansionsventil
ET: Avgastemperatur
FM: Fläktmotor
FS: Flödesbrytare
HP: Högtrycksskydd
IT: Inloppsvattentemperatur
K2: Fäste pump
LP: LÃ¥gtrycksskydd
OT: Utloppsvattentemperatur
SUT: Sugtemperatur
4V: 4-vägsventil
FM
t
5K
t
50K
t
5K
t
5K
CN13CN18CN66
CN42
485B1
485A1
12V
GND
GND
485A1
485B1
RS485-
2(CC)
RS485
4
4V
K2
OT
(RED)
AT
(WHT)
IT
(BLU)
SUT
(GRN)
CT
(YEL)
ET
(GRY)
t
5K
t
5K
YEL 485B-
BLK GND
RED 12V
WHT 485A+
Controller
MODE
3
4
Remote
ON/OFF
WiFi
BLK GND
YEL 485B-
WHT 485A+
RED 12V
567
RED
WHT
BLK
3
485A+
485B-
GND
SP13
190
191
du dra en ledning på 40 NB
enheten inför vinterförvaring och för att ge enklare åtkomst om service
VÄRMEPUMP FÖR SIMBASSÄNG TYP SP
VÄRMEPUMP FÖR SIMBASSÄNG TYP SP

Table of Contents

Related product manuals