EasyManua.ls Logo

Norsup SP13 - Page 157

Default Icon
196 pages
Print Icon
To Next Page IconTo Next Page
To Next Page IconTo Next Page
To Previous Page IconTo Previous Page
To Previous Page IconTo Previous Page
Loading...
ENNL
FR
DA
SV
EN
DE
158
159
Ændringer, der tjener såvel den teknologiske udvikling som undtagelser! BETJENINGSVEJLEDNING NORSUP
WWW.NORSUP.EU Ændringer, der tjener vel den teknologiske udvikling som undtagelser!
Aftapning
r der aftappes kølemiddel fra et system, enten af
hensyn til servicering eller ophør af drift, anbefales det,
at alt kølemiddel fjernes sikkert. Ved overførsel af
kølemiddel til andre cylindre skal det sikres, at kun
passende cylindre til kølemiddelaftapning anvendes.
Sørg for, at det korrekte antal cylindre til hele systemets
påfyldningsmængde er tilgængelige. Alle c
ylindre, der
skal bruges, skal være udformet til aftappet kølemiddel
og etiketteret i forhold til det pågældende kølemiddel
(dvs. specialcylindre til aftapning af kølemidlet). Cylindre
skal være komplette med trykudligningsventil og
tilknyttede aflukningsventiler i god driftsmæssig stand.
Tomme genudvindingscylindre gennemskylles og
nedkøles evt.,r aftapning fungerer.
Aftapningsudstyret skal re i god driftsmæssig stand,
omfatte et sæt instruktioner vedr. det p
ågældende
udstyr og re velegnet til aftapning af letantændelige
kølemidler. Yderligere skal der være et kalibrerede vægte
i god driftsmæssig tilstand til stede. Slangerne skal
re komplette medkagefri afbrydningskoblinger
og i god driftsmæssig stand. Før brug af aftapnings-
maskinen skal det kontrolleres, at den befinder sig i god
driftsmæssig tilstand, er blevet korrekt vedligeholdt, og
at tilknyttede elektriske komponenter er forseglede
med h
enblik på at forebygge antændelse i tilfælde af
kølemiddeludslip. Rådfør dig med producenten, hvis du
er i tvivl. Det aftappede kølemiddel skal returneres til
kølemiddel-leverandøren i den korrekte aftapnings-
cylinder, og der skal udrdiges en behørig fragtseddel.
Undgå at blande kølemidler i aftapningsenheder og
navnlig i cylindre. Hvis kompressorer eller kompressor-
olier skal fjernes, skal det sikres, at de aftappes til et
acceptabelt niveau med henblik
at sikre, at der ikke
efterlades letantændeligt kølemiddel i smøremidlet.
Aftapningsprocessen skal udføresr returnering af
kompressoren til leverandørerne. Kun elektrisk
opvarmning af kompressorkabinettet må benyttes med
henblik at accelerere denne proces. r olie drænes
fra et system, skal det gøres med forsigtighed.
Driftsophør
r denne procedure gennemføres, er det altovers-
kyggende, at teknikeren er fuldt ud bekendt med udstyret
og alle dets detaljer. Det er anbefalet god praksis, at alle
kølemidler aftappes sikkert. Før opgaven udføres, skal
der tages olie- og kølemiddelpver i tilfælde af behov
for analyse før genbrug af aftappet lemiddel. Det er
altoverskyggende, at der er elektrisk strøm tilgængelig,
før opgaven igangsættes. Gør dig bekendt med
udstyret og drift af det.
b) Isoler systemet elektrisk.
c) Før proceduren påbegyndes, skal det sikres, at:
- Mekanisk håndteringsudstyr
er til stede, hvis det er nød-
vendigt af hensyn til håndtering af kølemiddelcylindre
- Alt personligt beskyttelsesudstyr er tilgængeligt og
benyttes korrekt
- Opsamlingsprocessen konstant superviseres af en
kompetent person
- Opsamlingsudstyr og -cylindre er i
overensstemmelse med de gældende standarder.
d) Nedpump lemiddelsystemet, hvis det er
nødvendigt.
e) Hvis en vakuumpumpe ikke er mulig, skal der
oprettes en manifold, såled
es at kølemidlet kan
fjernes fra de forskellige systemdele.
f) Sørg for, at cylinderen befinder sig vægten, før
aftapning finder sted.
g) Start aftapningsmaskinen, og betjen den i
overensstemmelse med producentens instruktioner.
h) Undgå overfyldning af cylinderen. (Maks.
påfyldning er 80 % vol. væske).
i) Undgå at overskride cylinderens maksimale
arbejdstryk – selv midlertidigt.
j) Når cylindrene er blevetfyldt, og
processen er
afsluttet, skal det sikres at cylindrene og udstyret
øjeblikkeligt fjernes fra stedet, og alle
isoleringsventiler på udstyret lukkes af.
k) Aftappet kølemiddel ikke påfyldes et andet
kølesystem, medmindre det er blevet renset og
kontrolleret.
fyldningsprocedurer Ud over traditionelle
påfyldningsprocedurer skal lgende krav overholdes.
- Sørg for, at forurening af forskellige kølemidler ikke
finder sted i forbindelse med bru
g af
påfyldningsudstyr. Slanger eller ledninger skal være
så korte som muligt med henblik at minimere
brug af det kølemiddel, der er indeholdt i dem.
- Cylindrene skal stå oprejst.
- Sørg for, at lesystemet jordesr påfyldning af
systemet med kølemiddel.
- Etiketter systemet, når påfyldning er gennemført
(hvis dette ikke allerede er sket).
- Der skal udvises største omhyggelighed, så
kølesystemet ikke overfyldes.
r genopfyldning af system
et, skal det tryktestes med
OFN. Systemet skal lækagetestes ved afsluttet påfyldning
men før idriftstagning. Det skal gennemføres en
påfølgende kagetest,r stedet forlades.
Sikkerhedsledningsmodellen er 5*20_5 A/250 V AC. Og
skal imødekomme kravene til eksplosionssikkerhed
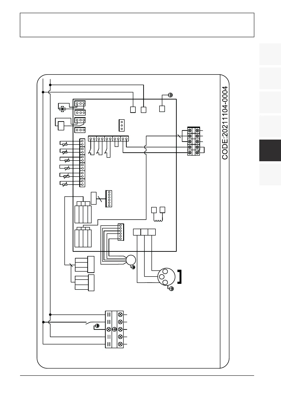
6. APPENDIX
6.1 CIRCUIT DIAGRAM
L N
1
2
P
N
220-240V~/50Hz
L
N
RED
BLU
TO POWER
SUPPLY
N
Y/G
K2
L
TO PUMP
CN11
P14L
P13L
CN99
PL
FS
LP
CN30
5
EEV
ACL
ACN
GND
CN15
reactor
COMP
U
V
W
U
W
V
RED
BLK WHT
U W
V
L
DCFAN
CN97
HP
BRN
BLU
AT: Omgivelsestemperatur
COMP: Kompressor
CT: KOMPRESSOR: CT: Spolens
temperatur
EEV: Elektronisk ekspansionsventil
ET: Udstødningstemperatur
FM: Ventilatormotor
FS: VENTILATORMOTOR: FS: Flow
switch
HP: Højtryksbeskyttelse
IT: Indløbsvandstemperatur
K2: Virkelighed af pumpe
LP: Lavtryksbeskyttelse
OT: Udløbsvandstemperatur
SUT: Sugevandstemperatur
4V: 4-vejsventil
FM
t
5K
t
50K
t
5K
t
5K
CN13CN18CN66
CN42
485B1
485A1
12V
GND
GND
485A1
485B1
RS485-
2(CC)
RS485
4
4V
K2
OT
(RED)
AT
(WHT)
IT
(BLU)
SUT
(GRN)
CT
(YEL)
ET
(GRY)
t
5K
t
5K
YEL 485B-
BLK GND
RED 12V
WHT 485A+
Controller
MODE
3
4
Remote
ON/OFF
WiFi
BLK GND
YEL 485B-
WHT 485A+
RED 12V
567
RED
WHT
BLK
3
485A+
485B-
GND
SP13
VARMEPUMP TIL SWIMMINGPOOL TYPE SP
VARMEPUMP TIL SWIMMINGPOOL TYPE SP

Table of Contents

Related product manuals