EasyManua.ls Logo

Norsup SP13 - Page 61

Default Icon
196 pages
Print Icon
To Next Page IconTo Next Page
To Next Page IconTo Next Page
To Previous Page IconTo Previous Page
To Previous Page IconTo Previous Page
Loading...
ENNL
FR
DA
SV
EN
DE
Onder voorbehoud van wijzigingen en (druk)fouten! GEBRUIKSAANWIJZING NORSUP
WWW.NORSUP.EU Onder voorbehoud van wijzigingen en (druk)fouten!
leidingwerk moeten plaatsvinden. Zorg ervoor dat de
uitlaat voor de vacuümpomp niet in de buurt van ont-
stekingsbronnen ligt en dat er ventilatie beschikbaar
is. eraan werken.
Etiketten
Apparatuur moet worden geëtiketteerd met de
vermelding dat deze buiten bedrijf is gesteld en is
ontdaan van koelmiddel. Het etiket wordt gedateerd
en ondertekend. Zorg ervoor dat er etiketten op de
apparatuur st
aan waarop staat dat de apparatuur
brandbaar koelmiddel bevat.
Recovery
Bij het verwijderen van koelmiddel uit een systeem,
voor onderhoud of buitenbedrijfstelling, is het aan-
bevolen om alle koelmiddelen veilig te verwijderen.
Zorg ervoor dat bij het overzetten van koelmiddel in
cilinders alleen geschikte koelmiddelterug-
winningscilinders worden gebruikt. Zorg ervoor dat
het juiste aantal cilinders voor het vasthouden van de
totale systeemlading besch
ikbaar is. Alle te gebruiken
cilinders zijn aangewezen voor het teruggewonnen
koelmiddel en geëtiketteerd voor dat koelmiddel
(d.w.z. speciale cilinders voor het terugwinnen van
koelmiddel). Cilinders moeten compleet zijn met
overdrukventiel en bijbehorende afsluiters en goed
werkend. Lege herstelcilinders worden geëvacueerd
en, indien mogelijk, afgekoeld voordat herstel
plaatsvindt. De terugwinningsapparatuur moeten zich
in goede staat bevinden met een reeks instructi
es
betreffende de apparatuur die voorhanden is en
moeten geschikt zijn voor de terugwinning van
brandbare koelmiddelen. Bovendien moet een set
gekalibreerde weegschalen beschikbaar zijn en in
goede staat verkeren. Slangen moeten compleet zijn
met lekvrije ontkoppelingskoppelingen en zich in
goede staat bevinden. Voordat u de bergingsmachine
gebruikt, moet u controleren of deze in goede staat
verkeert, goed onderhouden is en of alle bijbehorende
elektrische comp
onenten afgedicht zijn om ontsteking
te voorkomen in geval van een koelmiddelafgifte.
Raadpleeg bij twijfel de fabrikant. Het teruggewonnen
koelmiddel moet in de juiste terugwinningscilinder
aan de koelmiddelleverancier worden teruggestuurd
en de relevante afvaloverdrachtnota moet worden
geregeld. Meng geen koelmiddelen in terugwinnings-
units en vooral niet in cilinders. Als compressoren of
zijn oliën moeten worden verwijderd, zorg er dan voor
dat ze zijn gvacueerd tot een aa
nvaardbaar niveau
om ervoor te zorgen dat er geen brandbaar koelmiddel
in het smeermiddel achterblijft. Het evacuatieproces
moet worden uitgevoerd voordat de compressor naar
de leveranciers wordt teruggestuurd. Alleen elektrische
verwarming van het compressorlichaam mag worden
gebruikt om dit proces te versnellen. Wanneer olie uit
een systeem wordt afgevoerd, moet dit veilig worden
uitgevoerd.
Ontmanteling
Voordat u deze procedure uitvoert, is het essentieel dat
de technicus volledig vertrouwd is met de apparatuur en
alle details. Aanbevolen wordt om alle koelmiddelen
veilig terug te winnen. Voorafgaandelijk de uitvoering
van deze taak, moet een olie- en koelmiddelmonster
worden genomen voor het geval een analyse vereist is
voordat het teruggewonnen koelmiddel opnieuw
wordt gebruikt. Het is van essentieel belang dat er
stroom beschikbaar is voordat de taak van start gaat.
a) Raak vertrou
wd met de apparatuur en de werking
ervan.
b) Isoleer het systeem elektrisch.
c) Controleer voordat u de procedure probeert:
Mechanische handlingapparatuur beschikbaar is,
indien nodig, voor het hanteren van koelmiddel-
cilinders; Alle persoonlijke beschermingsmiddelen
beschikbaar zijn en correct gebruikt worden; Het
herstelproces staat te allen tijde onder toezicht van
een competente persoon; Herstelapparatuur en
cilinders voldoen aan de ju
iste normen.
d) Pomp indien mogelijk het koelsysteem naar beneden.
e) Als vacm niet mogelijk is, maakt u een
verdeelstuk zodat koelmiddel uit verschillende
delen van het systeem kan worden verwijderd
f) Zorg ervoor dat de cilinder zich op de weegschaal
bevindt voordat herstel plaatsvindt.
g) Start de bergingsmachine en werk volgens de
instructies van de fabrikant.
h) Vul de cilinders niet te vol. (Niet meer dan 80%
vloeistofvolu
me).
i) Overschrijd de maximale werkdruk van de cilinder
niet, zelfs niet tijdelijk.
j) Wanneer de cilinders correct zijn gevuld en het
proces is voltooid, moet u ervoor zorgen dat de
cilinders en de apparatuur onmiddellijk van de
locatie worden verwijderd en dat alle
isolatiekleppen op de apparatuur zijn afgesloten.
k) Teruggewonnen koelmiddel mag niet in een ander
koelsysteem worden bijgevuld tenzij het is
gereinigd en gecontroleerd.
Oplaadprocedures
Naast conventionele oplaadprocedures moeten de
volgende vereisten worden gevolgd.
- Zorg ervoor dat bij gebruik van laadapparatuur
geen verontreiniging met verschillende
koelmiddelen optreedt. Slangen of leidingen
moeten zo kort mogelijk zijn om de hoeveelheid
koelmiddel erin te minimaliseren.
- Cilinders moeten rechtop worden gehouden.
- Zorg ervoor dat het koelsysteem geaard is voordat u
het systeem met koudemiddel vult.
- L
abel het systeem wanneer het opladen is voltooid
(indien nog niet).
- Wees uiterst voorzichtig om het koelsysteem niet te
vol te zetten. Voordat het systeem wordt opgeladen,
moet het op druk worden getest met OFN. Het
systeem moet op lekken worden getest na
voltooiing van het opladen, maar vóór de
inbedrijfstelling. Voordat het terrein wordt verlaten,
moet een follow-uptest worden uitgevoerd.
Het veiligheidsdraadmodel is 5*20_5A/25
0VAC.
En moet voldoen aan de explosieveilige eisen.
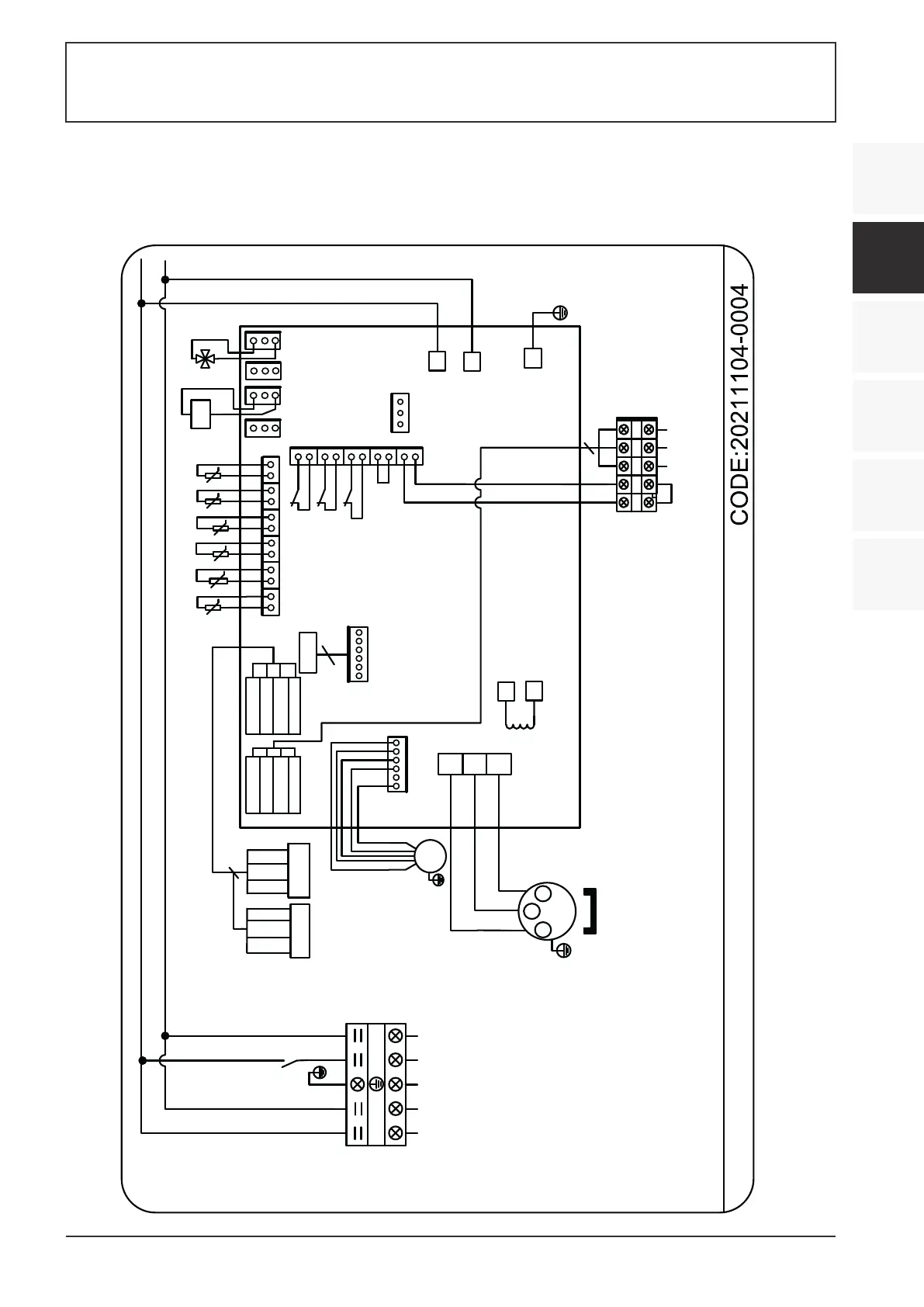
6. BIJLAGE
6.1 SCHAKELSCHEMA
L N
1
2
P
N
220-240V~/50Hz
L
N
RED
BLU
TO POWER
SUPPLY
N
Y/G
K2
L
TO PUMP
CN11
P14L
P13L
CN99
PL
FS
LP
CN30
5
EEV
ACL
ACN
GND
CN15
reactor
COMP
U
V
W
U
W
V
RED
BLK WHT
U W
V
L
DCFAN
CN97
HP
BRN
BLU
AT: Omgevingstemperatuur
COMP: Compressor
CT: Spoeltemperatuur
EEV: Elektronisch expansieventiel
ET: Uitlaattemperatuur
FM: Ventilatormotor
FS: Debietschakelaar
HP: Bescherming tegen hoge druk
IT: Temperatuur van het inlaatwater
K2: Pomp relais
LP: Lage druk beveiliging
OT: Uitlaatwater temperatuur
SUT: Aanzuigtemperatuur
4V: 4-weg klep
FM
t
5K
t
50K
t
5K
t
5K
CN13CN18CN66
CN42
485B1
485A1
12V
GND
GND
485A1
485B1
RS485-
2(CC)
RS485
4
4V
K2
OT
(RED)
AT
(WHT)
IT
(BLU)
SUT
(GRN)
CT
(YEL)
ET
(GRY)
t
5K
t
5K
YEL 485B-
BLK GND
RED 12V
WHT 485A+
Controller
MODE
3
4
Remote
ON/OFF
WiFi
BLK GND
YEL 485B-
WHT 485A+
RED 12V
567
RED
WHT
BLK
3
485A+
485B-
GND
SP13
60
61
ZWEMBAD WARMTEPOMP TYPE SP
ZWEMBAD WARMTEPOMP TYPE SP

Table of Contents

Related product manuals