EasyManua.ls Logo

Nortek Global E7ED DOWNFLOW - Model E7 EB-012 K Wiring Diagram

Default Icon
28 pages
Print Icon
To Next Page IconTo Next Page
To Next Page IconTo Next Page
To Previous Page IconTo Previous Page
To Previous Page IconTo Previous Page
Loading...
20
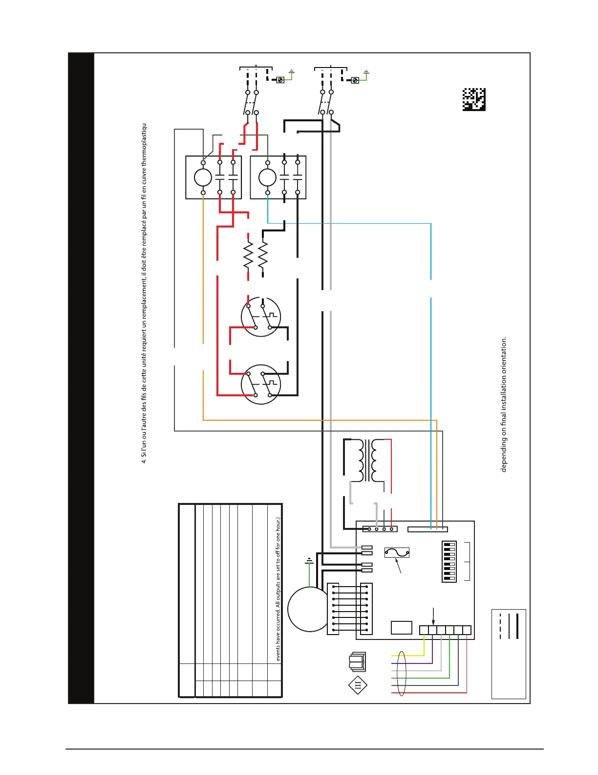
Figure 24. E7EB-012K Models
208/230VAC 1Ph/60Hz
10455020
(NEW)
07/23
FIELD WIRING
LEGEND:
LOW VOLTAGE
HIGH VOLTAGE
WIRING DIAGRAM
Model: 12kW Electric Furnace with FSHE ECM
NOTES:
1. Supply wire size must be in accordance to the applicable revision of the NEC
and all other applicable codes.
2. To change blower speed refer to installation instructions
3. Refer to appliance installation instructions for thermostat connections.
4. If any wire in this unit is to be replaced it must be replaced with 105° C
thermoplastic copper wire of the same gauge.
5. Not suitable for use on systems exceeding 120V to ground.
6. Refer to installation instructions for complete wiring diagram.
1. La taille du câblage d’alimentation doit être conforme à la révision applicable des codes NEC et des autres codes applicables.
2. Pour changer la vitesse du ventilateur, consultez les instructions d’installation.
3. Consultez les instructions d’installation de l’appareil pour les branchements du thermostat.
e 105 °C du même
gabarit.
5. Ne convient pas à l’utilisation sur les systèmes qui excèdent 120 V à la terre.
6. Consultez les instructions d’installation pour un schéma de câblage complet.
DISPLAY
CODE
CURRENT MODE
-
Standby is a Rotating Segment
C
Cooling Mode (Y input active)
H
Heating Mode (W input active)
f
Circulate Fan Mode (G input active)
d
Dehum Cooling Mode (DEHUM input active along with Y)
I
(one) A Motor Fault has Occurred (BMF active for more than
30 seconds)
t
(lower case t) Over Temperatures (The value of the TS input
has exceeded 80C all outputs are stopped.)
L
Lockout (Ten (10) or more Motor Faults or Over Temperature
-
C
H
f
d
I
t
L
NOTE: DISPLAY CODE may be inverted
L1 L2
R
C
G
W
D
Y
MOTOR
FIELD CONNECTION
TO THERMOSTAT
DC RELAY
DC RELAY
R
L1
L2
C
ELEMENT
ELEMENT
8
BACKUP
LIMIT
MAIN AIR
LIMIT
NEC Class 2
STANDARD (ATO)
AUTOMOTIVE
BLADE-TYPE
FUSE, 3 AMP,
32VDC MAX
CONTROL BOARD
CIRCUIT B
SUPPLY VOLTAGE
L1
L2
CIRCUIT A
SUPPLY VOLTAGE
L1
L2
HEAT
OFF
ON
COOL
1 2 3 4 5 6 7 8
BLUE
GRAY
ORANGE
RED
RED
RED
RED
BLACK
BLACK
BLACK
BLACK
GRAY
BLACK
WHITE
RED
BLACK
RED
GRAY
BLACK
WHITE
OPTIONAL DEHUM
BLACK
RED
TRANSFORMER
208V
230V

Related product manuals