EasyManua.ls Logo

North Edge ALPS - Compass Measurement and Calibration

North Edge ALPS
27 pages
Print Icon
To Next Page IconTo Next Page
To Next Page IconTo Next Page
To Previous Page IconTo Previous Page
To Previous Page IconTo Previous Page
Loading...
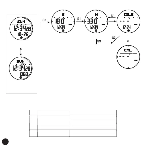
Compass measurements:
exit to next mode
6times
compass interface
measuring
in a minute
automatic
Long press
S4
Remark:
1. Stop the measurement if there is no button operation for 1 minute, and press
the S1 key on the compass interface to restart the measurement.
2. The compass measurement needs to be measured at a location without
magnetic field interference, and the compass measurement error is Between
±15 degrees.
3. Press the S3 key to return to the normal time display interface.
1
2
4
3
S/N Parameter
3.0V
-30°C - +70°C
±60Second
/
month
CR2430
(capacity
330mAh
)
Project
normal time interface
Pedometer icon on
Press S1
On the step counting
interface of the day,
step counting
is turned on
CAL calibration
Electrical performance parameter standard
Operating temperature
Operating Voltage
Monthly travel time error
Battery model and
capacity
23

Related product manuals