EasyManua.ls Logo

Nortron 21ECM20 - Wiring Diagrams

Default Icon
12 pages
Print Icon
To Next Page IconTo Next Page
To Next Page IconTo Next Page
To Previous Page IconTo Previous Page
To Previous Page IconTo Previous Page
Loading...
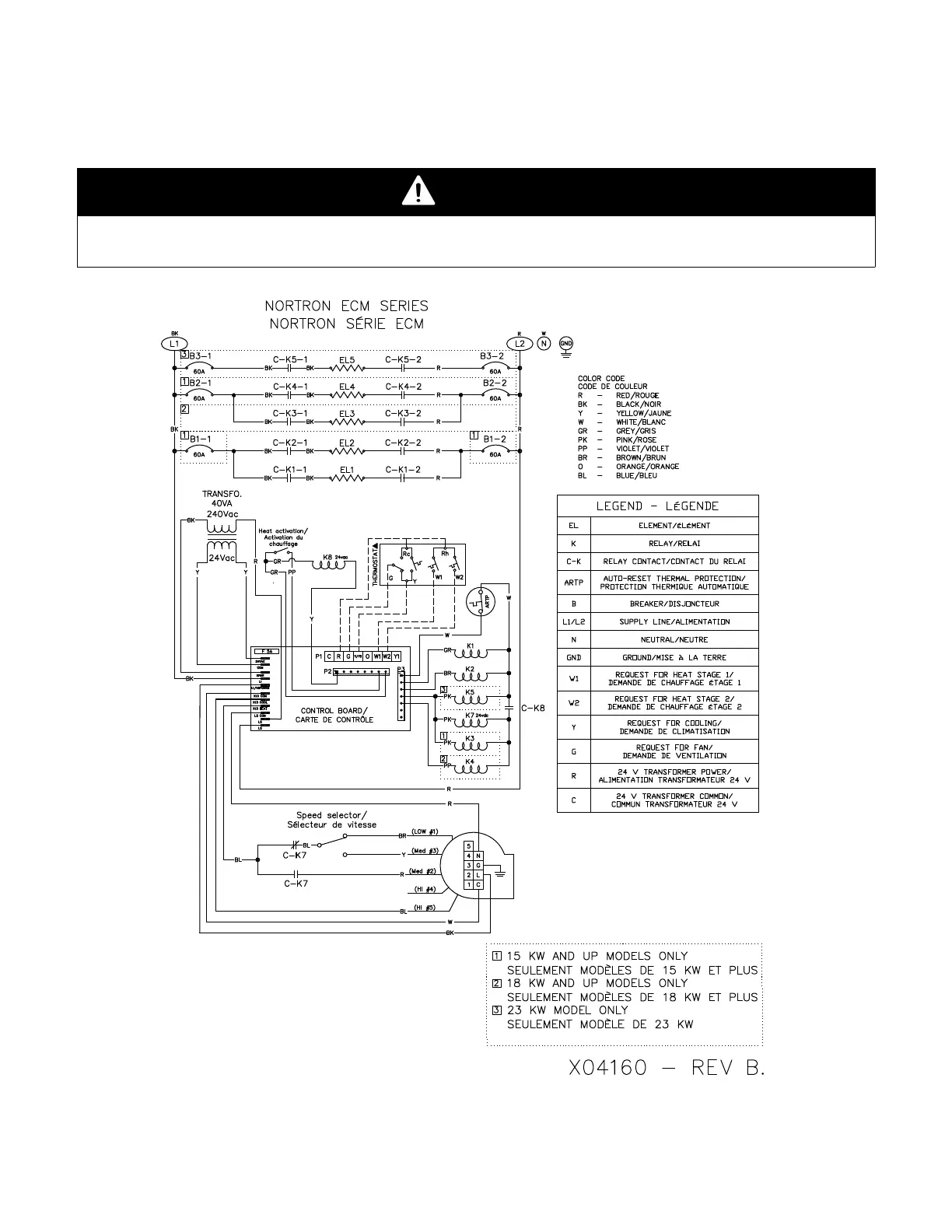
8 Wiring Diagrams
WARNING
Risk of electric shock. Disconnect power before installation, servicing, maintenance or field wiring. Replace all panels before
operating. Failure to do so can result in electric shock causing severe injuries or death.
9

Related product manuals