EasyManua.ls Logo

Novatech Bitronics M87X Series - Page 119

Novatech Bitronics M87X Series
184 pages
Print Icon
To Next Page IconTo Next Page
To Next Page IconTo Next Page
To Previous Page IconTo Previous Page
To Previous Page IconTo Previous Page
Loading...
ML0021 August 15, 2018
103 Copyright 2018 Bitronics, LLC
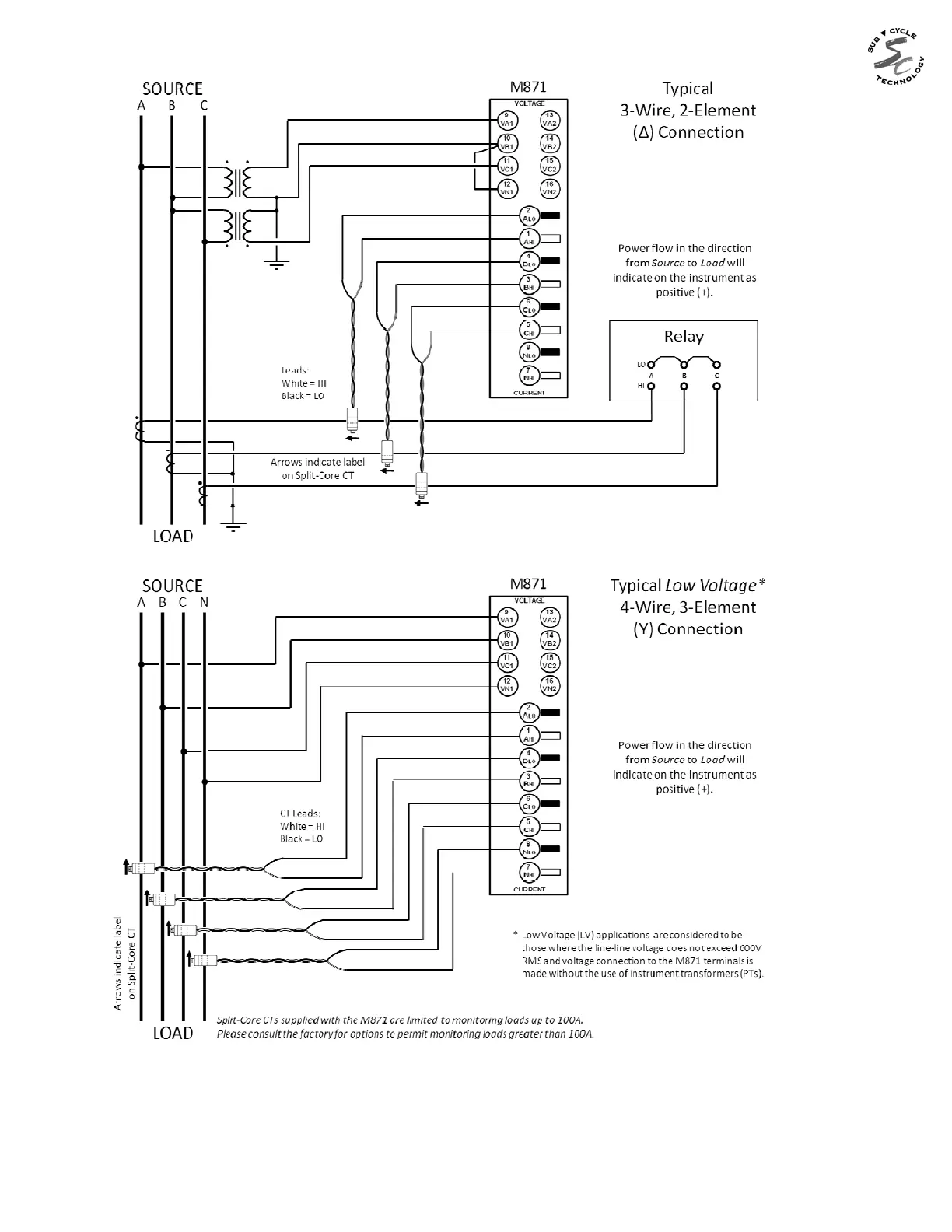
Figure 9 - Signal Connections (M871)

Table of Contents

Related product manuals