EasyManua.ls Logo

Novitool Aero - Lower Press 1225 Schematics

Novitool Aero
44 pages
Print Icon
To Next Page IconTo Next Page
To Next Page IconTo Next Page
To Previous Page IconTo Previous Page
To Previous Page IconTo Previous Page
Loading...
www.flexco.com
—30—
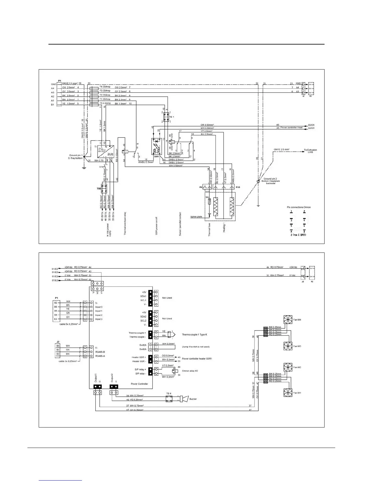
Schematics
Schematics Lower Press 1225