EasyManua.ls Logo

NTI Trinity Lx 150 - Wiring Schematics

NTI Trinity Lx 150
84 pages
Print Icon
To Next Page IconTo Next Page
To Next Page IconTo Next Page
To Previous Page IconTo Previous Page
To Previous Page IconTo Previous Page
Loading...
Lx Series Installation and Operation Instructions Trinity Lx
45
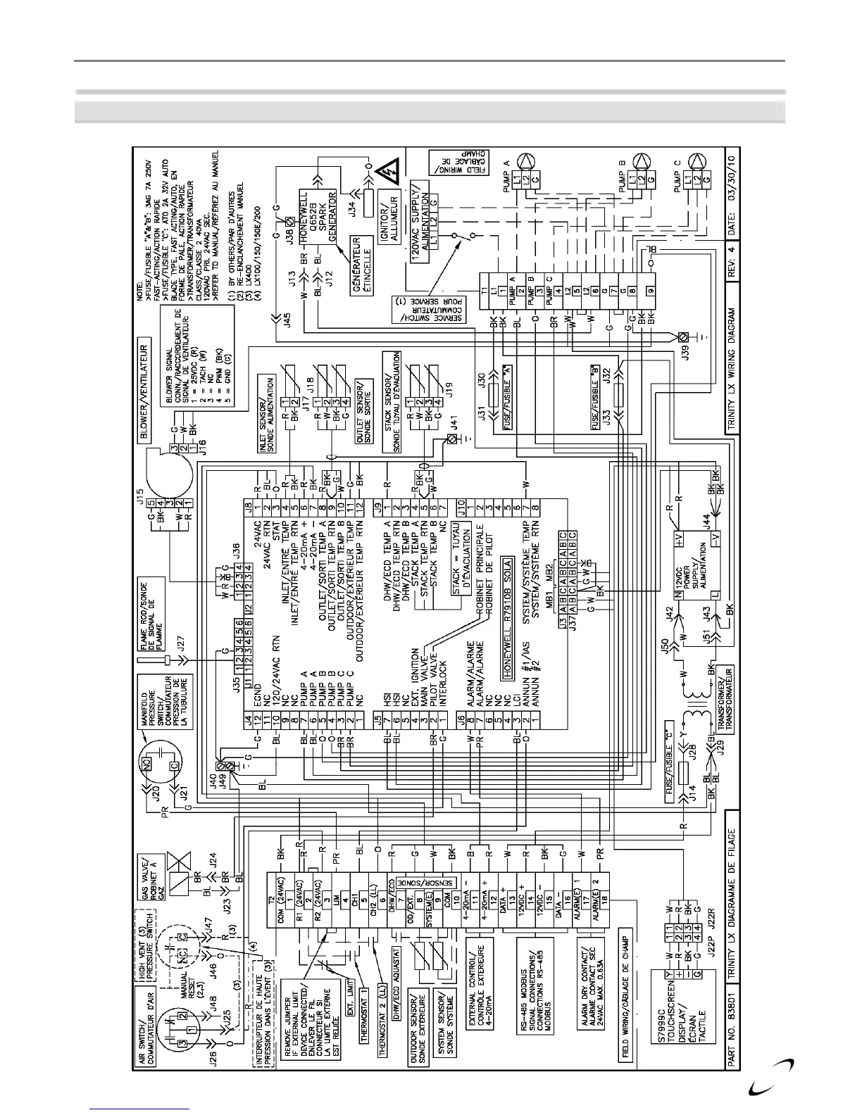
10.0 WIRING SCHEMATICS
Figure 10-1(a) Lx150-400 Models
Connection Diagram

Related product manuals