EasyManua.ls Logo

NTI Trinity TX81 - Boiler and Heating System Piping; Boiler System Preparation and Water Quality

Default Icon
84 pages
Print Icon
To Next Page IconTo Next Page
To Next Page IconTo Next Page
To Previous Page IconTo Previous Page
To Previous Page IconTo Previous Page
Loading...
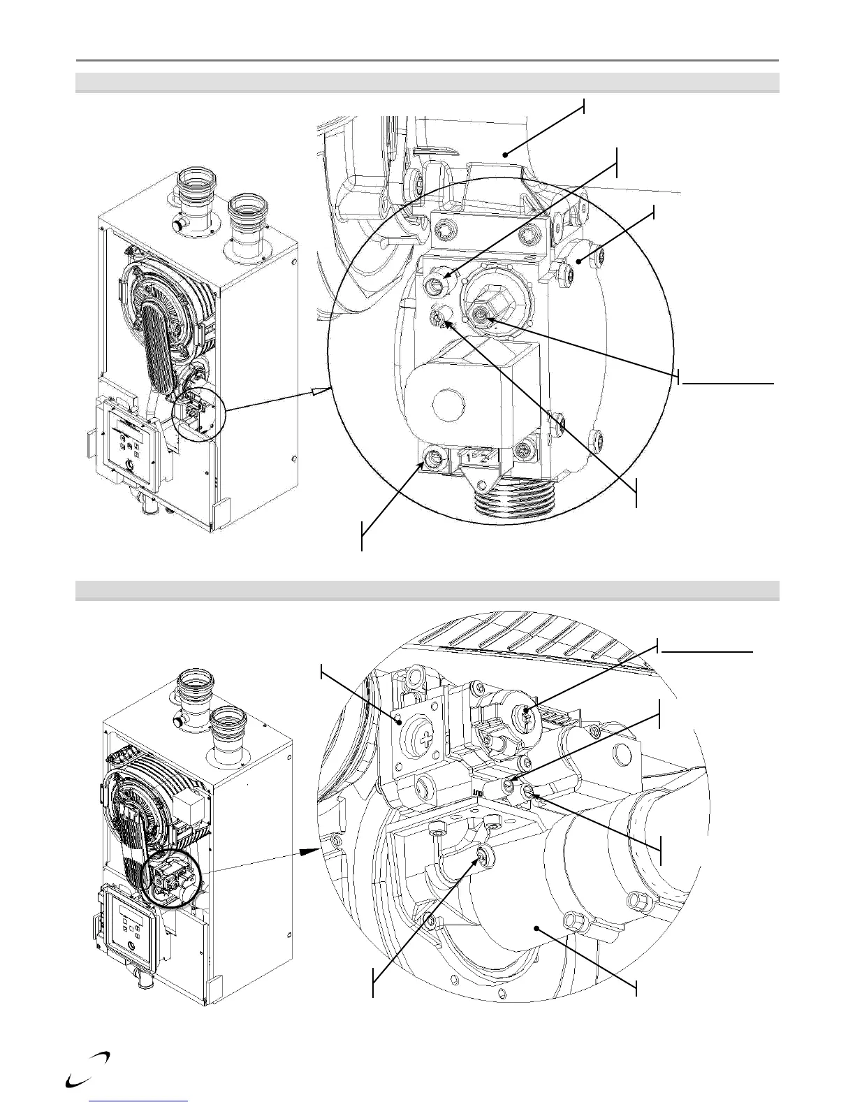
Gas Valve and Burner Set-up Tx I&O Manual
Figure 9-1 Gas Valve and Venturi Assembly (Tx51-151)
Figure 9-2 Gas Valve and Venturi Assembly (Tx200)
Gas Valve
Line Pressure
Test Port
DO NOT Adjust
Throttle / Input
Adjustment Screw
Manifold Pressure
Test Port
Venturi
DO NOT Adjust
Venturi
Line Pressure
Test Port
Gas Valve
Manifold Pressure
Test Port
Throttle / Input
Adjustment Screw

Table of Contents

Other manuals for NTI Trinity TX81

Related product manuals