EasyManua.ls Logo

NTI Trinity TX81 - Multiple System Circulator Configuratio

Default Icon
84 pages
Print Icon
To Next Page IconTo Next Page
To Next Page IconTo Next Page
To Previous Page IconTo Previous Page
To Previous Page IconTo Previous Page
Loading...
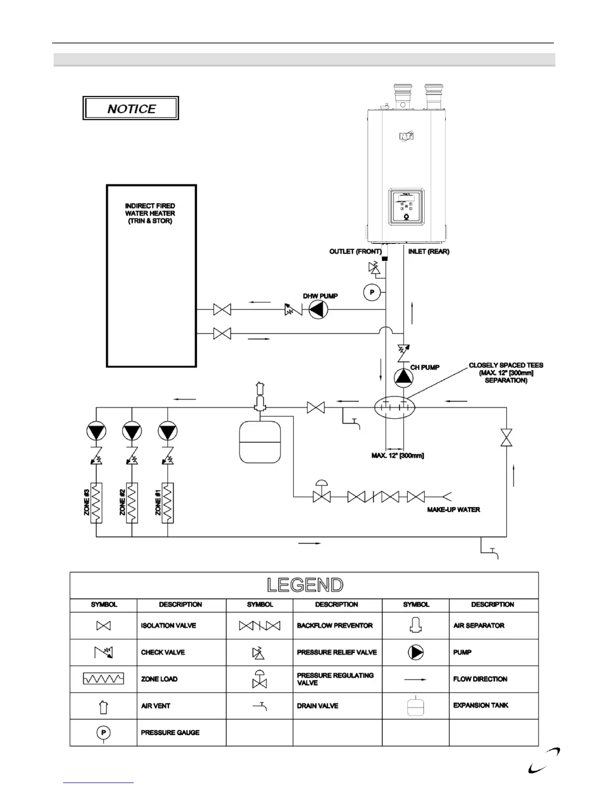
Tx I&O Manual Boiler and Heating System Piping
45
Figure 10-5 Tx51-200 Primary-Secondary Plumbing (non-Combi)
(Multiple System Circulator Configuration)
Figure illustrates the basic
plumbing requirements for
a Tx151C (Combi) boiler installation with a single
Central Heating circulator. Refer to Figures 10-2(c)
and 10-2(d) for boiler fitting identification.

Table of Contents

Other manuals for NTI Trinity TX81

Related product manuals