EasyManua.ls Logo

NTI TRX150 - Page 19

NTI TRX150
100 pages
Print Icon
To Next Page IconTo Next Page
To Next Page IconTo Next Page
To Previous Page IconTo Previous Page
To Previous Page IconTo Previous Page
Loading...
19
Part 1 - General Safety Information
Part 3 - Prepare the Boiler for Installation
24
13
20
1
2
3
6
7
9
8
26
10
16
17
12
15
11
18
19
21
22
5
23
25
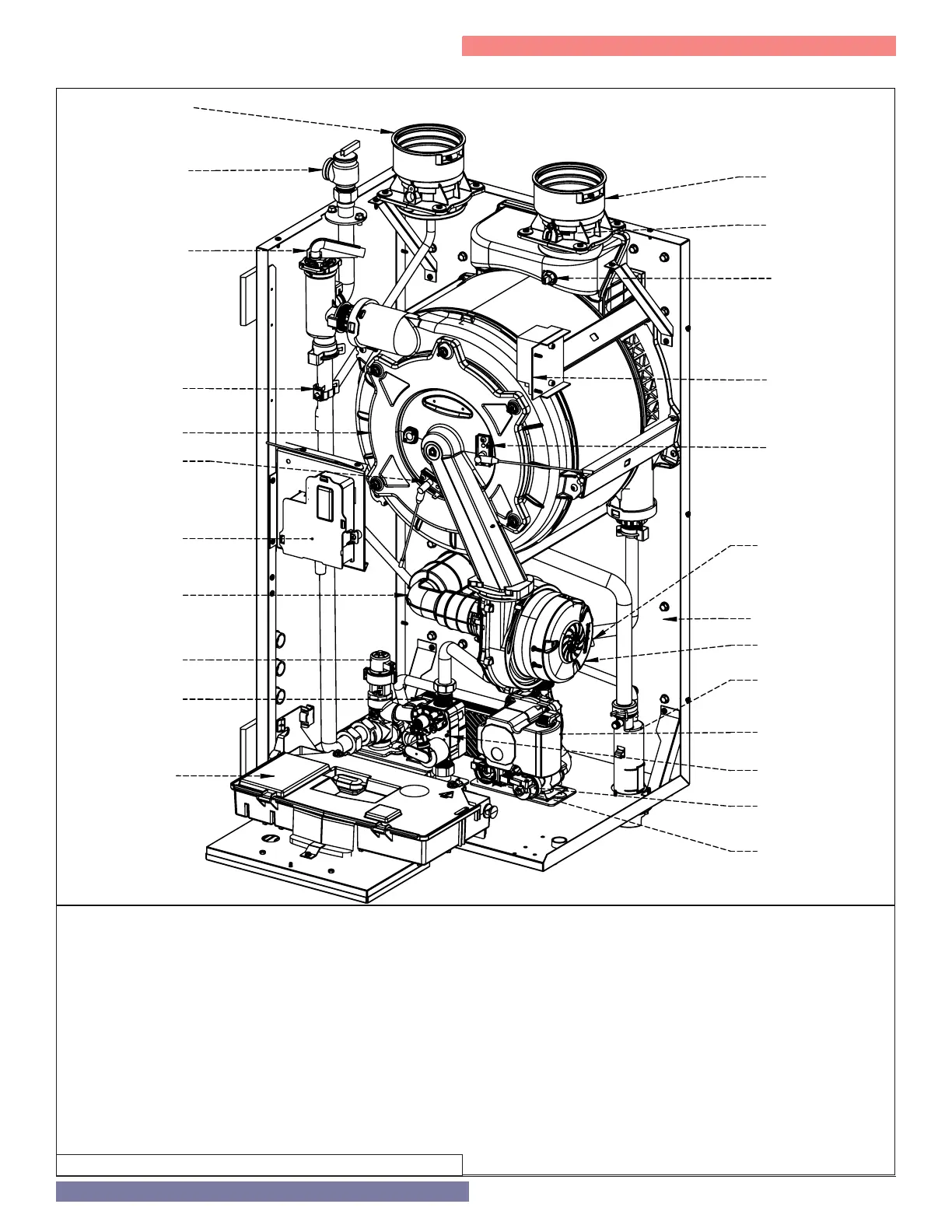
1. Pressure relief valve
2. Air purge valve
3. Boiler outlet temperature sensor
4. Air pressure switch
5. Flue gas temperature sensor
6. Main heat exchanger
7. Flame detection electrode
8 Silencer
9. Junction box
10. DHW Heat Exchanger (Combi Models Only)
11. Condensate trap
12. Gas valve
13. Control panel
TRX Components
15. Circulation Pump
16. DHW Flow Sensor (Combi Models Only)
17. Water pressure switch
18. Modulating Fan
19. Boiler inlet temperature sensor
20. Frame
21. Ignition electrode
22. Spark generator
23. Combustion Analysis Test Point
24. Air intake connection
25. Exhaust vent connection
26. Diverter valve
Figure 7 - Component Locations and Descriptions

Table of Contents

Other manuals for NTI TRX150

Related product manuals