EasyManua.ls Logo

Nuova Simonelli TALENTO - Page 73

Nuova Simonelli TALENTO
Print Icon
To Next Page IconTo Next Page
To Next Page IconTo Next Page
To Previous Page IconTo Previous Page
To Previous Page IconTo Previous Page
Loading...
71
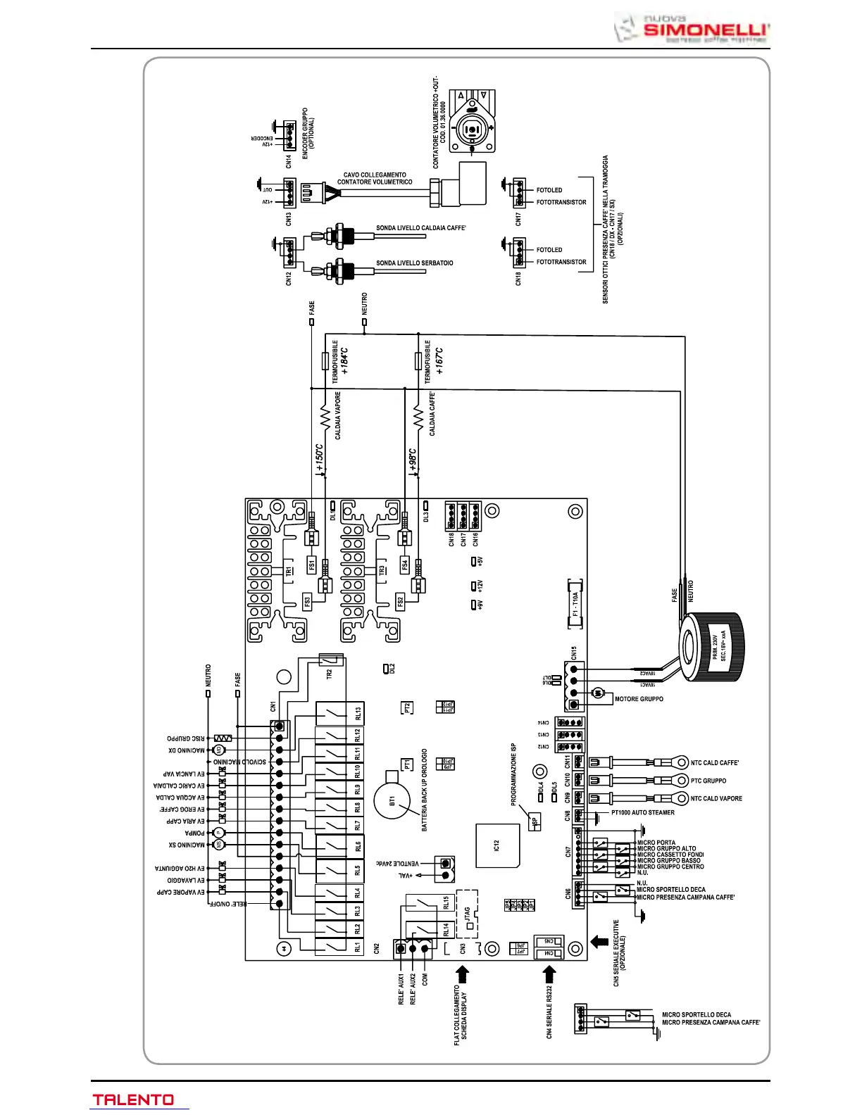
IMPIANTO ELETTRICO / ELECTRICAL SYSTEM

Table of Contents

Other manuals for Nuova Simonelli TALENTO

Related product manuals